Operation CHARM: Car repair manuals for everyone.
Manuals through 2025 now available!

Our trusted friends have launched a new website named LEMON, which has newer manuals. It also contains all the CHARM manuals.

LEMON is the spiritual successor to CHARM, I recommend you try it!

Link: lemon-manuals.la or lemon-manuals.org.ua

(Some people have issue connecting. LEMON is investigating. For now, use Firefox or change your DNS server)

Or, hide this message: temporarily or permanently

Wiper Motor: Service and Repair

Wiper Motor Replacement

Windshield Wiper Motor




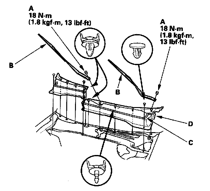
1. Open the hood. Remove the nuts (A) and the windshield wiper arms (B).
2. Remove the hood seals (C) and cowl covers (D).




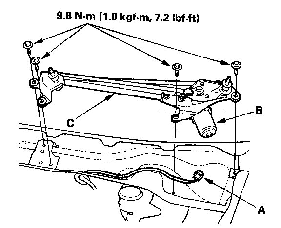
3. Disconnect the 5P connector (A) from the wiper motor (B).
4. Remove the four bolts and wiper linkage assembly (C).




5. Remove the three mounting bolts and nut from the wiper linkage (A) to remove the wiper motor (B).
6. Install in the reverse order of removal, and note these items:
- Apply a multipurpose grease to the moving parts.
- Before reinstalling the wiper arms, turn the wiper switch ON, then OFF to return the wiper shafts to the park position.
- If necessary, replace any damaged clips.
- Check the wiper motor operation.

Rear Window Wiper Motor




1. Remove the mounting nut (A) and the wiper arm (B).
2. Remove the tailgate lower trim panel.




3. Disconnect the 6P connector (A) from the wiper motor (B).
4. Remove the three bolts and the wiper motor.
5. Install in the reverse order of removal.
Check the wiper motor operation.