Operation CHARM: Car repair manuals for everyone.
Manuals through 2025 now available!

Our trusted friends have launched a new website named LEMON, which has newer manuals. It also contains all the CHARM manuals.

LEMON is the spiritual successor to CHARM, I recommend you try it!

Link: lemon-manuals.la or lemon-manuals.org.ua

(Some people have issue connecting. LEMON is investigating. For now, use Firefox or change your DNS server)

Or, hide this message: temporarily or permanently

Heater Core: Service and Repair

Heater Unit/Core Replacement

SRS components are located in this area. Review the SRS component locations, and the precautions and procedures before repairing or servicing.

1. Make sure you have the anti-theft code for the audio or the navigation system, then write down the customer's audio presets.
2. Make sure the ignition is OFF, then disconnect the negative cable from the battery.
3. Disconnect the A/C lines from the evaporator core.
4. Remove the air cleaner housing assembly.




5. From under the hood, open the cable clamp (A), then disconnect the heater valve cable (B) from the heater valve arm (C). Turn the heater valve arm to the fully opened position as shown.
6. When the engine is cool, drain the engine coolant from the radiator.




7. Slide the hose clamps (A) back. Remove the nut and the water valve (B), then disconnect the inlet heater hose (C) and the outlet heater hose (D) from the heater unit. Engine coolant will run out when the hoses are disconnected; drain it into a clean drip pan. Be sure not to let coolant spill on the electrical parts or the painted surfaces. If any coolant spills, rinse it off immediately.




8. Remove the mounting nut from the heater unit. Take care not to damage or bend the fuel lines or brake lines, etc.
9. Remove the dashboard.




10. Disconnect the connector (A) from the blower motor. Remove the wire harness clip (B).




11. Disconnect the connector (A) from the recirculation control motor.




12. Disconnect the connectors (A) from the mode control motor, the evaporator temperature sensor, and the power transistor. Remove the wire harness clip (B).




13. Disconnect the connectors (A) from the air mix control motor, heater core temperature sensor, and A/C wire harness. Remove the connector clip (B), the wire harness clips (C), and the wire harness (D).




14. Remove the mounting bolt, mounting nuts, and blower-heater unit (A).




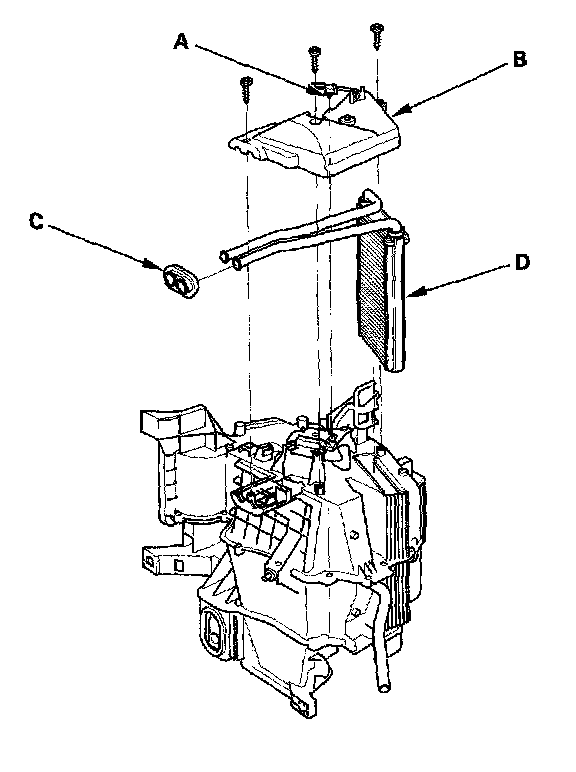
15. Remove the connector clip (A), the self-tapping screws, the heater core cover (B), the grommet (C), and carefully pull out the heater core (D).
16. Install the heater core, and the evaporator core in the reverse order of removal.
17. Install the heater unit in the reverse order of removal, and note these items:
- Do not interchange the inlet and outlet heater hoses, and install the hose clamps securely.
- Refill the cooling system with engine coolant.
- Adjust the heater valve cable.
- Make sure that there is no coolant leakage.
- Make sure that there is no air leakage.
- Refer to the evaporator core replacement.
- Reset the power window control unit.
- Enter the anti-theft code for the audio or navigation system, then enter the customer's audio presets.
- Set the clock.
- If the IMA battery level gauge (BAT) displays no segments, start the engine, and hold it between 3,500 rpm and 4,000 rpm without load (in Park or neutral) until the BAT displays at least three segments.