Operation CHARM: Car repair manuals for everyone.
Manuals through 2025 now available!

Our trusted friends have launched a new website named LEMON, which has newer manuals. It also contains all the CHARM manuals.

LEMON is the spiritual successor to CHARM, I recommend you try it!

Link: lemon-manuals.la or lemon-manuals.org.ua

(Some people have issue connecting. LEMON is investigating. For now, use Firefox or change your DNS server)

Or, hide this message: temporarily or permanently

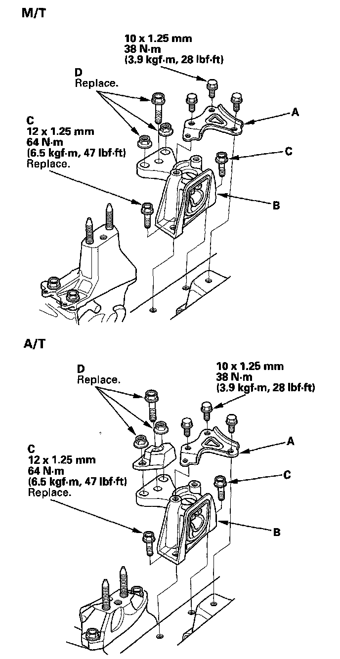
Transmission Mount: Service and Repair

Transmission Mount Replacement





1. Loosen the upper torque rod mounting bolt (A).
2. Remove the air cleaner housing assembly.
3. Remove the engine control module (ECM)/powertrain control module (PCM) cover, then remove the three bolts securing the ECM/PCM.
4. Remove the ECM/PCM bracket.
5. Remove the under-hood fuse/relay box from the bracket.
6. Support the transmission with a jack and a wood block under the transmission.





7. Remove the transmission mount stiffener (A), then remove the transmission mount (B).
8. Install the transmission mount with the new mounting bolts (C), then install the transmission mount stiffener.
9. Loosely tighten the new bolt and nuts (D).
10. Raise the hoist to full height.





11. Loosen the lower torque rod mounting bolt (A).
12. Lower the vehicle on the hoist.





13. Tighten the transmission mounting bolt and nuts.
14. Raise the hoist to full height.





15. Tighten the lower torque rod mounting bolt.
16. Lower the vehicle on the hoist.





17. Tighten the upper torque rod mounting bolt.
18. Install the under-hood fuse/relay box to the bracket.
19. Install the ECM/PCM bracket.
20. Install the ECM/PCM, then install the ECM/PCM cover.
21. Install the air cleaner housing assembly.