Operation CHARM: Car repair manuals for everyone.
Manuals through 2025 now available!

Our trusted friends have launched a new website named LEMON, which has newer manuals. It also contains all the CHARM manuals.

LEMON is the spiritual successor to CHARM, I recommend you try it!

Link: lemon-manuals.la or lemon-manuals.org.ua

(Some people have issue connecting. LEMON is investigating. For now, use Firefox or change your DNS server)

Or, hide this message: temporarily or permanently

Transmission Installation

Transmission Installation
Special Tools Required
^ 1.8 Support eyelet 07AAK-SNAA400
^ 1.8 Support bolt 07AAK-SNAA500
^ Engine support hanger, A & Reds AAR-T-12566 *
^ Subframe adapter VSB02C000016 *
^ 2006 Civic engine hanger VSB02C000025 *
^ :Available through the Honda Tool and Equipment program 888-424-6857.





1. Loosen the upper torque rod mounting bolt (A).
2. Check that the two dowel pins are installed in the clutch housing.





3. Apply super high temp urea grease (P/N 08798-9002) to the release fork (A) and the release bearing (B). Install the release fork, the release bearing, and the boot (C).
4. Place the transmission on the transmission jack, and raise it to the engine level.





5. Install the lower transmission mounting bolts.





6. Install the clutch cover.





7. Install the intermediate shaft.
8. Install the driveshafts inboard joint.





9. Support the subframe with the subframe adapter and a jack.





10. Install the front suspension subframe (A). Loosely install the new subframe mounting bolts (B).





11. Align the front subframe reference marks (A) to the body (B), as noted during removal. Tighten the subframe mounting bolts to the specified torque.





12. Install the lower torque rod mounting bracket.





13. Install the lower torque rod mounting bolts.





14. Install the middle subframe mounting bolts.








15. Install the steering gearbox stiffner plates (A) and mounting bracket (B). Tighten the mounting bolts to the specified torque.





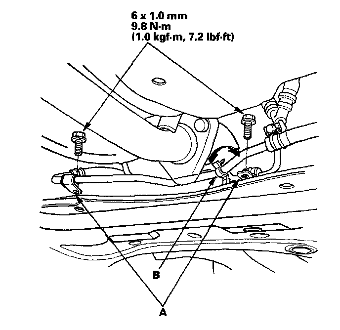
16. Install the steering line bracket (A) and the clip (B).
17. Connect the lower arm.





18. Install the transmission mounting bracket base (A) and stud bolts (B).





19. Install the transmission mounting bracket bolts (A). Install the transmission mounting bolt (B) and nuts (C), then install the ground cable (D).





20. Loosen and retighten the lower torque rod mounting bolt.





21. Install the splash shield.





22. Tighten the upper torque rod mounting bolt.





23. Install the upper transmission mounting bolts.





24. Remove the engine hanger and special tool (A) from the engine.
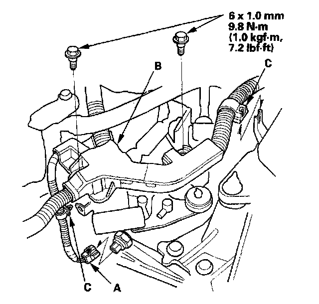
25. Install the harness holder bracket (B) and air cleaner housing bracket on the cylinder head,





26. Connect the vehicle speed sensor connector (A).





27. Apply a light coat of super high temp urea grease ON 08798-9002) to the cable ends (A), and the surface of the wire end rubber (B) with silicone grease.
28. Install the cable bracket (C) and the cables (D), then install the new cotter pins (E).





29. Connect the back-up light switch connector (A), then install the engine harness cover (B) and the harness clips (C).





30. Apply super high temp urea grease (P/N 08798-9002) to the end of the cylinder rod. Install the slave cylinder (A) then install the clutch line bracket (B). Be careful not to bend the clutch line.





31. Install the battery base (A) with the reservoir tank (B).
32. Install the harness clips (C) and the intake air duct (D).
33. Install the air cleaner housing.
34. Install the battery. Connect the positive cable to the battery first, then connect the negative cable.
35. Install the under-cowl panel and cowl cover.
36. Refill the transmission fluid.
37. Test-drive the vehicle.
38. Check the clutch operation.
39. Check the front wheel alignment.
40. Enter the anti-theft code for the radio or the navigation system, then enter the customer's audio presets. Set the clock.
41. Do the power window control unit reset procedure.