Operation CHARM: Car repair manuals for everyone.
Manuals through 2025 now available!

Our trusted friends have launched a new website named LEMON, which has newer manuals. It also contains all the CHARM manuals.

LEMON is the spiritual successor to CHARM, I recommend you try it!

Link: lemon-manuals.la or lemon-manuals.org.ua

(Some people have issue connecting. LEMON is investigating. For now, use Firefox or change your DNS server)

Or, hide this message: temporarily or permanently

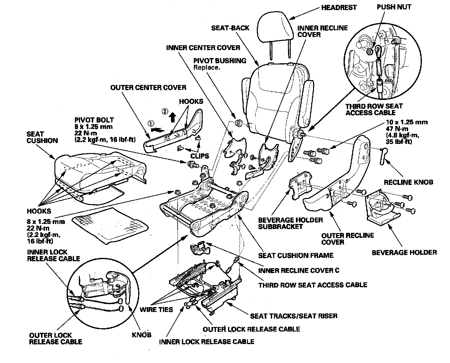
Second Row Seat Disassembly/Reassembly

Second Row Seat Disassembly/Reassembly

Special Tools Required
KTC trim tool set SOJATP2O14






NOTE:
- Take care not to tear the seams or damage the seat covers.
- Put on gloves to protect your hands.
- Use the appropriate tool from the KTC trim tool set to avoid damage when prying components.
- Apply multipurpose grease to the moving portion of the seat track.
- To prevent wrinkles in the seat cushion cover, stretch the material evenly over the pad.
- Make sure each cable is connected securely.