Operation CHARM: Car repair manuals for everyone.
Manuals through 2025 now available!

Our trusted friends have launched a new website named LEMON, which has newer manuals. It also contains all the CHARM manuals.

LEMON is the spiritual successor to CHARM, I recommend you try it!

Link: lemon-manuals.la or lemon-manuals.org.ua

(Some people have issue connecting. LEMON is investigating. For now, use Firefox or change your DNS server)

Or, hide this message: temporarily or permanently

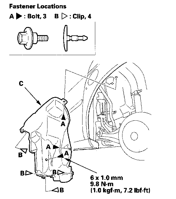
Fuel Pipe Protector Replacement

Fuel Pipe Protector Replacement

NOTE:
- Take care not to scratch the body.
- Put on gloves to protect your hands.

1. Remove the left rear wheel.




2. Remove the bolts (A) and clips (B), then remove the fuel pipe protector (C).
3. Install the protector in the reverse order of removal, and note these items:
- Check the clips for damage or stress-whitening, and replace them with new one.
- Push the clips into place securely.