Operation CHARM: Car repair manuals for everyone.
Manuals through 2025 now available!

Our trusted friends have launched a new website named LEMON, which has newer manuals. It also contains all the CHARM manuals.

LEMON is the spiritual successor to CHARM, I recommend you try it!

Link: lemon-manuals.la or lemon-manuals.org.ua

(Some people have issue connecting. LEMON is investigating. For now, use Firefox or change your DNS server)

Or, hide this message: temporarily or permanently

Engine Installation

Engine Installation
Special Tools Required
- Engine support hanger, A and Reds AAR-T-12566
- Engine hanger adapter VSB02C000022
- Engine hanger balancer bar VSB02C000019
- Front subframe adapter VSB02C000016

These special tools are available through Honda Tool and Equipment Program, 1-888-424-6857.

1. Install the engine mount bracket accessory brackets, and tighten their bolts to the specified torques.





2. Position the engine/transmission under the vehicle. Be sure that they are properly aligned. Carefully lower the vehicle until the engine/transmission are properly positioned in the engine compartment. Make sure the vehicle is not resting on any part of the engine/transmission. Support to the engine/transmission with a chain hoist (A) and carefully raise the engine/transmission into place.

NOTE: Reinstall the mounting bolts/support nuts in the sequence given in the following steps. Failure, to follow this sequence may cause excessive noise and vibration, and reduce engine mount life.





3. Install the engine hanger adapters (VSB02C000022) on the end of the engine support beams (A) then install the engine support hanger (AAR-T-12566) with the adapters to the vehicle.





4. Install the engine with the engine support hanger and engine balancer bar (VSB02C000019). Attach the front arm to the front cylinder head with a spacer (B) and the 10 x 1.25 mm bolt (C). Attach the rear arm to the rear cylinder head with the 8 x 1.25 mm bolt (D).
5. Install new mounting bolts into the upper half of the engine mount bracket. Tighten the bolts to the specified torque.





6. Remove the chain hoist, then raise the vehicle on the hoist to full height.
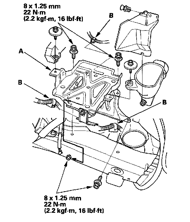
7. Using the special tool (A) and a jack, raise the front subframe up to the body.





8. Loosely install the new front subframe mounting bolts (four) (B), the 12 x 1.25 mm bolts (six) (C) (D), and the stiffeners (E).
9. Align all reference marks (A) on the front subframe (B) with the edge of the body (C), then tighten the bolts on the front subframe to the specified torque.





10. Remove the jack and special tool.
11. Tighten the nuts securing the transmission lower rear mount.





12. J35A6 engine: Tighten the rear engine mount bolt, then install the heat shield (A).





13. J35A7 engine: Tighten the rear engine mount bolt (A), then install the rear engine mount stop (B), and connect the rear active control engine mount (ACM) actuator connector (C).





14. Lower the vehicle on the hoist.
15. J35A6 engine: Tighten the front engine mount bolt (A), then install the front engine mount stop (B) and vacuum hose (C).





16. J35A7 engine: Tighten the front engine mount bolt (A), then install the front engine mount stop (B), and connect the front ACM actuator connector (C) and harness clamp (D).





17. Loosen the mounting bolts for the upper half of the side engine mount bracket, then retighten them to the specified torque.





18. Remove the engine support hanger, engine hanger balancer bar, and engine hanger adapters.
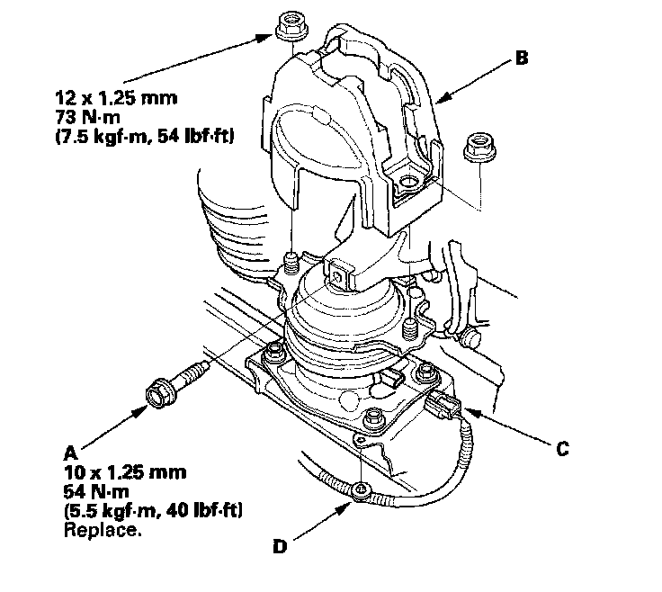
19. Install the A/C compressor.





20. Install the radiator.
21. Install the automatic transmission fluid (ATF) cooler hoses.





22. Install the ground cables.





23. Install the heater hoses.





24. Install the upper radiator hose (A) and lower radiator hose (B).





25. Install the condenser fan shroud (A), and reserve tank (B), then connect the fan motor connector (C).





26. Raise the vehicle on the hoist to full height.
27. Connect the power steering pressure switch connector (A).





28. Reconnect the power steering (P/S) hose.





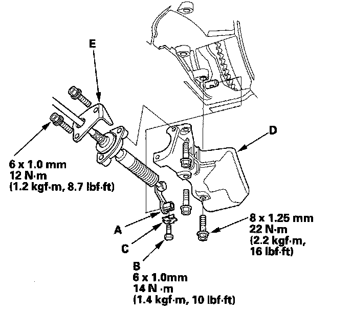
29. Install the control lever (A) with the shift cable on the control shaft. Do not-bend the shift cable excessively.





30. Install the lock bolt (B) with a new lock washer (C), then bend the lock washer tab against the bolt.
31. Install the shift cable cover (D), then install the shift cable holder (E) on the shift cable cover.
32. Install a new set ring on the end of each driveshaft, then install the driveshafts. Make sure each ring clicks into place in the differential and intermediate shaft.
33. Connect the suspension lower arms to the knuckles.
34. Connect the tie-rod end ball joints to the knuckles.
35. Connect the stabilizer links.
36. Install exhaust pipe A Using new gaskets (B) and new self locking nuts (C).





37. Install the splash shield.





38. Install the front wheels.
39. Lower the vehicle on the hoist.
40. Install the power steering pump outlet hose (A) with a new O-ring (B) to the pump (C), then secure the hose clamp using the bracket (D).





41. Install the power steering fluid reservoir, then connect the return hose.
42. Install the drive belt.
43. Install the alternator cable (A), then install the harness clamps (B).





44. Connect the engine wire harness connectors (A) and cabin wire harness connector (B), then install the harness clamp (C).





45. Install the powertrain control module (PCM) cover (A).





46. Align the reference mark (A) on the steering joint and steering gearbox pinion shaft. Connect the steering joint (B) to the steering gearbox pinion shaft (C). Tighten the steering joint bolt.





47. Install the steering joint cover (D).
48. Install the carpet and driver's side console lower panel.
49. Install the brake booster vacuum hose (A), evaporative emission (EVAP) canister hose (B).





50. J35A6 engine: Install the vacuum hose (C).
51. Connect the fuel feed hose (A), then install the quick-connect fitting cover (B).





52. Connect the starter cable (A) to the B terminal, and ground cable (B), and install the harness clamp (C).





53. Install the battery base (A), then install the harness clamps (B).





54. Install the air cleaner housing.
55. Install the air intake duct (A), then install the breather pipe (B).





56. Install the intake manifold cover.





57. Install the battery. Clean the battery posts and cable terminals with sandpaper, then assemble them and apply grease to prevent corrosion.
58. Reinstall front grill cover.
59. Reinstall cowl cover and windshield wiper arms.
60. Inspect for fuel leaks. Turn the ignition switch ON (II) (do not operate the starter) so the fuel pump runs for about 2 seconds and pressurizes the fuel line. Repeat this operation two or three times, then check for fuel leakage at any point in the fuel line.
61. Move the shift lever to each gear, and verify that the A/T gear position indicator follows the transmission range switch.
62. Refill the engine with new engine oil.
63. Refill the transmission with ATF.
64. Refill the power steering fluid reservoir.
65. Refill the radiator with engine coolant, and bleed air from the cooling system with the heater valve open.
66. Do the PCM reset procedure.
67. Do the PCM idle learn procedure.
68. Do the crankshaft position (CKP) pattern clear/CKP pattern learn procedure.
69. Inspect the idle speed.
70. Inspect the ignition timing.
71. Check the wheel alignment.
72. Enter the anti-theft codes for the radio and the navigation system, then enter the customer's audio presets.
73. Set the clock.