Operation CHARM: Car repair manuals for everyone.
Manuals through 2025 now available!

Our trusted friends have launched a new website named LEMON, which has newer manuals. It also contains all the CHARM manuals.

LEMON is the spiritual successor to CHARM, I recommend you try it!

Link: lemon-manuals.la or lemon-manuals.org.ua

(Some people have issue connecting. LEMON is investigating. For now, use Firefox or change your DNS server)

Or, hide this message: temporarily or permanently

Engine Removal

Engine Removal
Special Tools Required
- Engine support hanger, A and Reds AAR-T-12566
- Engine hanger adapter VSB02C000022
- Engine hanger balancer bar VSB02C00001
- Front subframe adapter VSB02C000016

These special tools are available through Honda Tool and Equipment Program, 1-888-424-6857.

NOTE: Use fender covers to avoid damaging painted surfaces. To avoid damaging the wires and terminals, unplug the wiring connectors carefully while holding the connector portion. Mark all wiring and hoses to avoid misconnection. Also, be sure that they do not contact other wiring or hoses, or interfere with other parts.

1. Secure the hood in the wide open position by using a support rod as shown.





2. Make sure you have the anti-theft codes for the radio and the navigation system, then write down the customer's audio presets. Make sure the ignition switch is OFF.
3. Drain the power steering system fluid.
4. Relieve fuel pressure.
5. Disconnect the negative cable from the battery first, then disconnect the positive cable.
6. Remove the front grill cover.
7. Remove the battery.
8. Remove the intake manifold cover.





9. Remove the breather pipe (A), then remove the air intake duct (B).





10. Remove the air cleaner housing.
11. Remove the harness clamps (A), the intake air duct cover (B), and the bolt (C) holding the intake air duct.





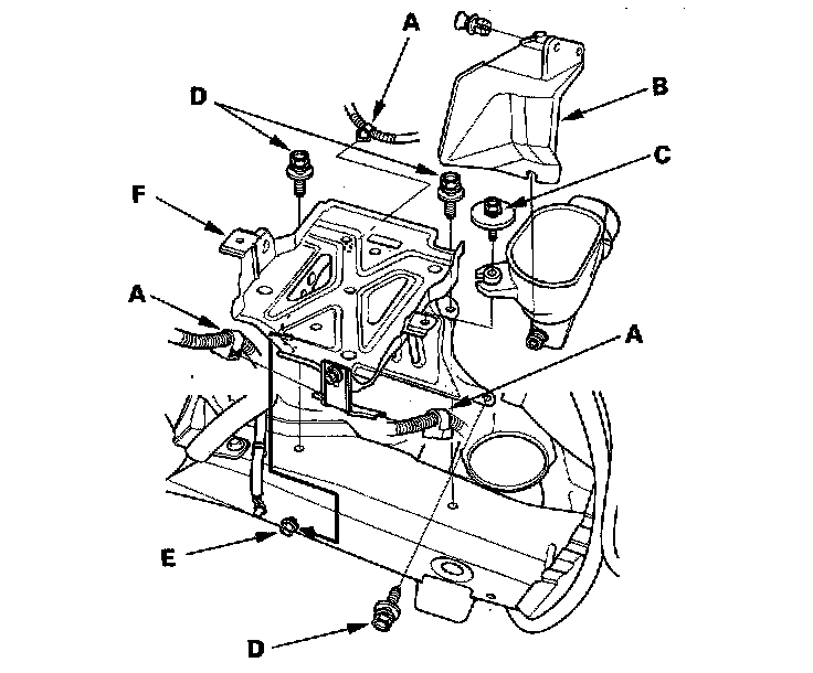
12. Remove three mounting bolts (D) and loosen the mounting bolt (E), then remove the battery base (F).
13. Remove the harness clamp (A), then disconnect the starter cable (B) from the B terminal and ground cable (C).





14. Remove the fuel tube cover (A), and fuel feed hose (B).





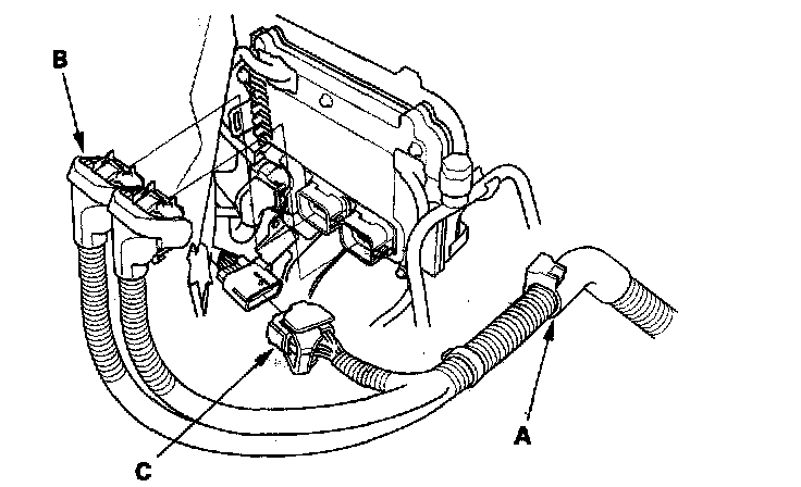
15. Remove the brake booster vacuum hose (A) and evaporative emission (EVAP) canister hose (B).





16. J35A6 engine: Remove the vacuum hose (C).
17. Remove the driver's side console lower panel, and pull the carpet to expose the steering joint cover.
18. Remove the steering joint cover (A).





19. Lock the steering wheel. Make a reference mark (B) across the steering joint and steering gearbox pinion shaft. Remove the steering joint bolt (C), and disconnect the steering joint from the steering gearbox pinion shaft (D). To prevent damage to the cable reel, do not turn the steering wheel once the steering joint has been removed.
20. Remove the powertrain control module (PCM) cover (A).





21. Remove the harness clamp (A), then disconnect engine wire harness connectors (B) and cabin wire harness connector (C) on the right side of the engine compartment.





22. Remove the harness clamps (A), then remove the alternator cable (B).





23. Remove the drive belt.
24. Remove the power steering (P/S) pump outlet hose (A) at the pump (B) and remove the hose clamp bolt (C).





25. Remove the power steering fluid reservoir (A) from its holder and disconnect the return hose (B).





26. Remove the radiator cap.
27. Raise the vehicle on the hoist to full height.
28. Remove the front wheels.





29. Remove the splash shield.
30. Loosen the drain plug in the radiator, and drain the engine coolant.
31. Drain the automatic transmission fluid (ATF).
32. Drain the engine oil.
33. Remove exhaust pipe A.





34. Disconnect the stabilizer links.
35. Separate the tie-rod end ball joints from the knuckles.
36. Separate the knuckles from the lower arms.
37. Remove the driveshafts. Coat all precision-finished surfaces with new engine oil. Tie plastic bags over the driveshaft ends.
38. Remove the bolts (A) securing the shift cable holder (B). Remove the bolts (C) securing the shift cable cover, then remove the shift cable cover (D). To prevent damage to the control lever joint, be sure to remove the bolts securing the shift cable holder before removing the bolts securing the shift cable cover.





39. Remove the lock bolt (E) securing the control lever (F), then remove the shift cable (G) with the control lever. Do not bend the shift cable excessively.
40. Disconnect the P/S hose (A), then plug the line and the hose.





41. Disconnect the power steering pressure switch connector (A).





42. Remove the nuts securing the transmission lower front mount and transmission lower rear mount.





43. Lower the vehicle on the hoist.
44. Disconnect the fan motor connector (A) and remove the reservoir (B). Wipe up any spilled engine coolant immediately.





45. Remove the two bolts (C), loosen the bottom bolts (D), then remove the condenser fan shroud.
46. Remove the upper radiator hose (A) and lower radiator hose (B).





47. Remove the heater hoses.





48. Remove the ground cables.





49. Remove the ATF cooler hoses (A), then plug the ATF cooler hoses and lines.





50. Remove the radiator.
51. Remove the A/C compressor without disconnecting the A/C hoses.





52. Hang the A/C compressor with a rope as shown.





53. Install the engine hanger adapters (VSB02C000022) on the end of the engine support beams (A), then install the engine support hanger (AAR-T-12566) with the adapters to the vehicle.





54. Lift and support the engine with the engine support hanger and engine hanger balancer bar (VSB02C000019). Attach the front arm to the front cylinder head with a spacer (B) and the 10 x 1.26 mm bolt (C). Attach the rear arm to the rear cylinder head with the 8 x 1.25 mm bolt (D).
55. J35A6 engine: Remove the vacuum hose (A) and front engine mount stop (B), then remove the front engine mount bolt (C).





56. J35A7 engine: Disconnect the front active control engine mount (ACM) actuator connector (A) and harness clamp (B), remove front engine mount stop (C), then remove the front engine mount bolt (D).





57. J35A6 engine: Remove the heat shield (A) and the rear engine mount bolts (B).





58. J35A7 engine: Disconnect the rear ACM actuator connector (A), remove rear engine mount stop (B), then remove the rear engine mount bolt (C).





59. Raise the vehicle on the hoist to full height.
60. Make the appropriate reference lines (A) at the both side of the front subframe (B) that line up with the edge (C) on the body.





61. Attach the special tool to the subframe (A) by hanging the belt (B) over the front of the subframe, then secure the belt with its retaining pin (C).





62. Raise the jack, and line up the slots in the special tool arms with the bolt holes on the corner of the jack base, then securely attach them with four bolts.
63. Remove the six 12 x 1.25 mm bolts (A) securing the subframe stiffeners (B), the four subframe mounting bolts (C), and the stiffeners, then lower the front subframe (D).





64. Lower the vehicle on the hoist.
65. Attach a chain hoist (A) to the engine hook (B) and the transmission hook (C), then lift up the engine/transmission until it is securely supported by the chain hoist, and remove the engine support hanger and engine hanger adapters.





66. Remove the mounting bolts from the upper half of the side engine mount bracket.





67. Check that the engine/transmission is completely free of vacuum hoses, fuel and coolant hoses, and electrical wiring.
68. Slowly lower the engine/transmission about 150 mm (6 inch). Check once again that all hoses and electrical wiring are disconnected and free from the engine/transmission, then lower it all the way and support it.
69. Disconnect the chain hoist from the engine/transmission assembly.
70. Raise the vehicle all the way, and remove the engine/transmission from under the vehicle.