Operation CHARM: Car repair manuals for everyone.
Manuals through 2025 now available!

Our trusted friends have launched a new website named LEMON, which has newer manuals. It also contains all the CHARM manuals.

LEMON is the spiritual successor to CHARM, I recommend you try it!

Link: lemon-manuals.la or lemon-manuals.org.ua

(Some people have issue connecting. LEMON is investigating. For now, use Firefox or change your DNS server)

Or, hide this message: temporarily or permanently

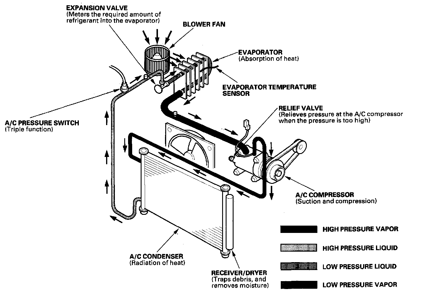
Heating/Air Conditioning

System Description




The air conditioning system removes heat from the passenger compartment by circulating refrigerant through the system.

This vehicle uses HFC-134a (R-134a) refrigerant, which does not contain chlorofluorocarbons. Pay attention to the following service items:
- Do not mix refrigerants CFC-12 (R-12) and HFC-134a (R-134a). They are not compatible.
- Use only the recommended polyalkyleneglycol (PAG) refrigerant oil (DENSO ND-OIL 8) designed for the R-134a A/C compressor. Intermixing the recommended (PAG) refrigerant oil with any other refrigerant oil will result in A/C compressor failure.
- All A/C system parts (A/C compressor, discharge line, suction line, evaporator, A/C condenser, receiver/dryer, expansion valve, O-rings for joints) are designed for refrigerant R-134a. Do not exchange with R-12 parts.
- Use a halogen gas leak detector designed for refrigerant R-134a.
- R-12 and R-134a refrigerant servicing equipment are not interchangeable. Use only a recovery/recycling/charging station that is U.L.-listed and is certified to meet the requirements of SAE J2210 to service the R-134a air conditioning systems.
- Always recover refrigerant R-134a with an approved recovery/recycling/charging station before disconnecting any A/C fitting.

A/C Pressure Switch

The A/C pressure switch consists of a high-low pressure switch (A/C pressure switch A) and a middle pressure switch (A/C pressure switch B).




- High-low pressure switch
If the refrigerant pressure becomes too high (due to blockage or lack of airflow at the condenser), or too low (due to leakage), the A/C pressure switch stops the A/C request signal to the PCM and the A/C compressor stops operating.










- Middle pressure switch
If the refrigerant pressure goes above 1,520 kPa (15.5 kgf/sq.cm,221 psi), the A/C pressure switch closes to signal the PCM to change the speed of the A/C condenser fan and radiator fan to high. When the refrigerant pressure drops below 1,230 kPa (12.5 kgf/sq.cm,178 psi), the A/C pressure switch opens to signal the PCM to change the speed of the A/C condenser fan and radiator fan to low.

A/C Control Panel Inputs And Outputs:




A/C Control Panel Inputs and Outputs