Operation CHARM: Car repair manuals for everyone.
Manuals through 2025 now available!

Our trusted friends have launched a new website named LEMON, which has newer manuals. It also contains all the CHARM manuals.

LEMON is the spiritual successor to CHARM, I recommend you try it!

Link: lemon-manuals.la or lemon-manuals.org.ua

(Some people have issue connecting. LEMON is investigating. For now, use Firefox or change your DNS server)

Or, hide this message: temporarily or permanently

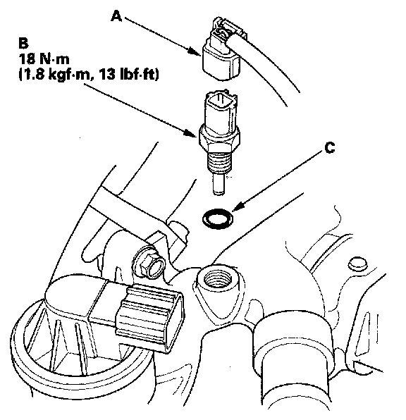
ECT Sensor 1 Replacement

ECT Sensor 1 Replacement

1. Drain the engine coolant.
2. Remove the intake manifold cover.




3. Disconnect the ECT sensor 1 2P connector (A).
4. Remove ECT sensor 1 (B).
5. Install the sensor in the reverse order of removal with a new O-ring (C), then refill the radiator with engine coolant, and bleed air from the cooling system with the heater valve open.