Operation CHARM: Car repair manuals for everyone.
Manuals through 2025 now available!

Our trusted friends have launched a new website named LEMON, which has newer manuals. It also contains all the CHARM manuals.

LEMON is the spiritual successor to CHARM, I recommend you try it!

Link: lemon-manuals.la or lemon-manuals.org.ua

(Some people have issue connecting. LEMON is investigating. For now, use Firefox or change your DNS server)

Or, hide this message: temporarily or permanently

Transmission Installation

Transmission Installation
Special Tools Required
^ Engine support hanger, A and Reds AAR-T-12566
^ Engine hanger adapter VSB02CO00022
^ Engine hanger balancer bar VSB02CO00019
^ Front subframe adapter VSB02CO00016 These special tools are available through the Honda Tool and Equipment Program 1-888-424-6857.

NOTE: Use fender covers to avoid damaging painted surfaces.

1. Clean the ATF cooler.
2. Install the torque converter assembly (A) on the mainshaft (B) with the new O-ring (C).





3. Install the 14 x 20 mm dowel pin (D) and 10 x 20 mm dowel pin (E) in the torque converter housing.
4. Place the transmission on the jack, and raise the transmission to the engine level.
5. Attach the transmission to the engine, then install the rear transmission housing mounting bolts.





6. Install the upper and front transmission housing mounting bolts.





7. Remove the jack from the transmission.
8. Install the front mount bracket with the new bolts, and install the harness clamp bracket.





9. Install the engine-to-torque converter housing mounting bolts.





10. Attach the torque converter to the drive plate (A) with eight bolts (B). Rotate the crankshaft pulley as necessary to tighten the bolt to 1/2 of the specified torque, then to the final torque, in a crisscross pattern. After tightening the last bolt, check that the crankshaft rotates freely.
11. Install the torque converter cover (C).
12. Clean the. areas where the intermediate shaft and driveshaft contact the transmission (differential) with carburetor cleaner, and dry with compressed air.
13. Install the new set ring (A) on the intermediate shaft (B), and install the intermediate shaft in the differential. While installing the intermediate shaft in the differential, be sure not to allow dust or other foreign particles to enter the transmission.





14. Install the rear warm up three way catalytic converter (WU-TWC) stay (C) and heat shield (D).
15. Install the new set ring on the left driveshaft, then install the left driveshaft in the differential. While installing the driveshaft in the differential, be sure not to allow dust or other foreign particles to enter the transmission. Install the right driveshaft over the intermediate shaft.

NOTE: Turn the right and left steering knuckle fully outward, and slide the driveshaft and intermediate shaft into the differential and over the intermediate shaft until you feel the set ring engage the side gear.

16. Install the transmission lower front mount (A), and install the lower rear mount (B) with the new bolts.





17. Support the front subframe (A) with the front subframe adapter (VSB02C000016) and a jack, and lift it up to body.





18. Loosely install the new subframe mounting bolts (A), front stiffener mounting bolts (B), rear stiffener mounting bolts (C), and front and rear stiffeners.





19. Align all reference marks (A) on the body and subframe. Tighten the rear subframe mounting bolts, then front bolts, and tighten the stiffener bolts to the specified torque.





20. Install the transmission lower mount nuts.





21. Install the power steering fluid line (A) on the clamps (B).
22. Install the rear mount mounting bolt.





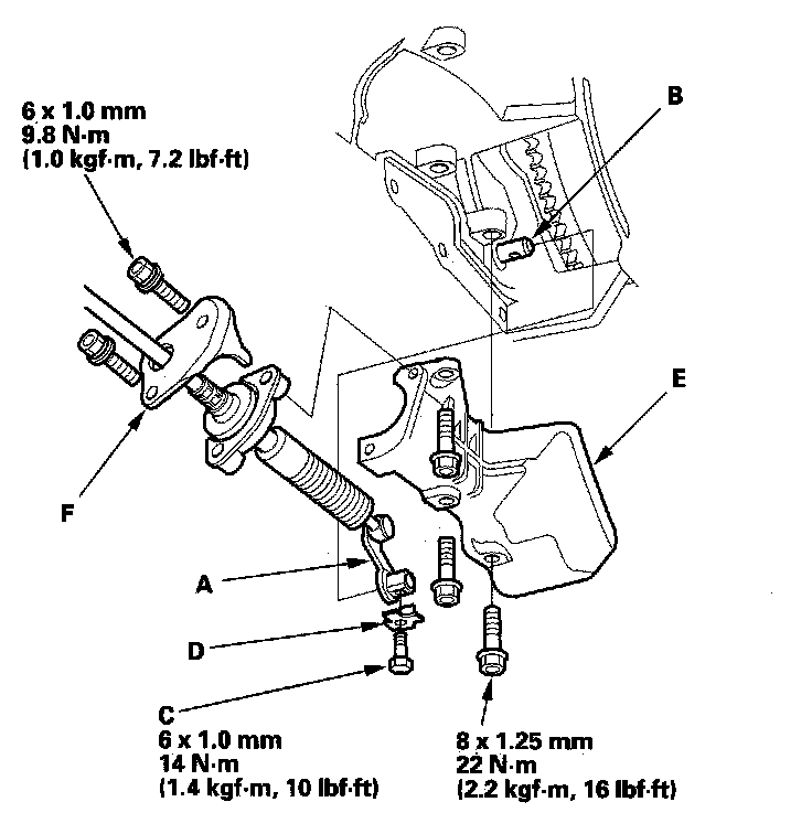
23. Install the steering gearbox stiffener (A), and loosely install the bolts.
24. Install the steering gearbox stiffener, and loosely install the bolts.





25. Install the steering gearbox mounting bait and heat shield (A).





26. Install the steering gearbox mounting bolt and power steering fluid line bracket bolts.





27. Tighten the steering gearbox mounting bolts and gearbox stiffener mounting bolts to the specified torque.
28. For model with active engine mount control system: Connect engine mount control solenoid valve connector.





29. For model with engine mount control system: Connect the vacuum tube joint, and install the joint in the clamp at the engine mount.





30. Install selector control lever (A) on the selector control shaft (B). Do not bend the shift cable excessively.





31. Install the lock bolt (C) and a new lock washer (D), and bend the lock washer tab against the bolt head.
32. Install the shift cable cover (E), and secure the shift cable holder (F) on the shift cable cover.
33. Install the ball joint on each lower arm (A) with the new castle nut (B) and lock pin (C).





34. Install the stabilizer links (D) to the lower arms, and install the nuts (E). Insert a 6 mm Allen wrench (F) in the ball joint pin (G), and tighten the nuts.
35. Install the exhaust pipe (A) with the new self locking nuts, its mount (B), and new gaskets (C) (D).





36. For model with active engine mount control system: Install the new front engine mount bolt, and install the front engine mount stop.





37. For model with engine mount control system: Install the new front engine mount bolt, and install the front engine mount stop (A) and vacuum tube clamp bracket (B).





38. Remove the engine support hanger and engine balancer bar.
39. Install the harness clamp bracket to the engine rear cylinder head.





40. Install the connector bracket to the engine front cylinder head.





41. Install the harness cover (A) on the harness cover bracket (B), and secure the harness cover bracket (C) with the bolt on the transmission.





42. Connect output shaft, (countershaft) speed sensor connector (D). Connect transmission range switch connector (E), and install it on the connector bracket (F).
43. Connect shift solenoid valve B connector and torque converter clutch solenoid valve connector (A).





44. Connect transmission subharness 6P connector (A), and install the harness clamps (B) on the clamp brackets (C).





45. Connect the connectors to the shift solenoid valve A, shift solenoid valve C (B), A/T clutch pressure control solenoid valve C, input shaft (mainshaft) speed sensor (D), and 4th clutch transmission fluid pressure switch (E). Install the harness clamps (F) on the clamp brackets (G).





46. Install the transmission ground terminal (H).
47. Install the starter (A) on the torque converter housing. Connect the starter cables (B), and install the harness clamp (C) on the clamp bracket (D).





48. Connect the ATF cooler hoses (A) to the ATF cooler lines (B), and secure the hoses with the clips (C).





49. Install the battery base.
50. Install the air cleaner housing and intake air duct.
51. Install the battery tray and battery, and secure the battery with its hold-down bracket.
52. Clean the battery posts and cable terminals with sandpaper, then assemble them and apply grease to prevent corrosion.
53. Install the front bulkhead cover.
54. Set the parking brake. Start the engine, and shift the transmission through all positions three times.
55. Check the shift lever operation, A/T gear position indication operation, and shift cable adjustment.
56. Check and adjust the front wheel alignment.
57. Install the splash shield and front inner fender.
58. Start the engine in the P or N position, and warm it up to normal operating temperature (the radiator fan comes on).
59. Turn off the engine, and check the ATF level.
60. Do the road test.
61. Enter the audio and navigation anti-theft codes, then enter the customer's audio presets, and set the clock.