Operation CHARM: Car repair manuals for everyone.
Manuals through 2025 now available!

Our trusted friends have launched a new website named LEMON, which has newer manuals. It also contains all the CHARM manuals.

LEMON is the spiritual successor to CHARM, I recommend you try it!

Link: lemon-manuals.la or lemon-manuals.org.ua

(Some people have issue connecting. LEMON is investigating. For now, use Firefox or change your DNS server)

Or, hide this message: temporarily or permanently

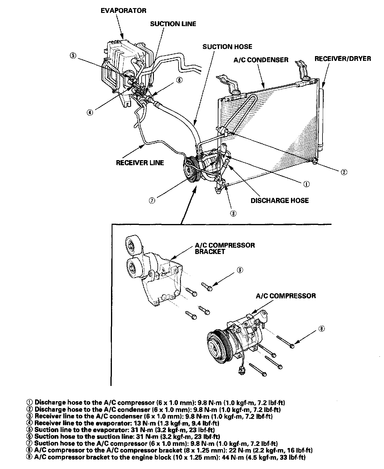
Refrigerant Oil: Service and Repair

A/C Refrigerant Oil Replacement

Recommended PAG oil: DEN3O ND-OIL 8
- PiN 38897-PR7-A01AH: 120 mL (4 fl.oz)
- PiN 38899-PR7-A01: 40 mL (1 1/3 fl.oz)

Add the recommended refrigerant oil in the amount listed if you replace any of the following parts.







- To avoid contamination, do not return the oil to the container once dispensed, and never mix it with other refrigerant oils.
- Immediately after using the oil, reinstall the cap on the container, and seal it to avoid moisture absorption.
- Do not spill the refrigerant oil on the vehicle; it may damage the paint; if it gets on the paint, wash it off immediately.