Operation CHARM: Car repair manuals for everyone.
Manuals through 2025 now available!

Our trusted friends have launched a new website named LEMON, which has newer manuals. It also contains all the CHARM manuals.

LEMON is the spiritual successor to CHARM, I recommend you try it!

Link: lemon-manuals.la or lemon-manuals.org.ua

(Some people have issue connecting. LEMON is investigating. For now, use Firefox or change your DNS server)

Or, hide this message: temporarily or permanently

Transmission Installation

Transmission Installation

Special Tools Required
^ Engine support hanger, A and Reds AAR-T-12566
^ Engine hanger balance bar VSB02C000019
^ Engine hanger adapter VSB02C000014
^ Front subframe adapter VSB02BX0

These special tools are available through the Honda Tool and Equipment Program 1-888-424-6857.

NOTE: Use fender covers to avoid damaging painted surface.

1. Cleaning the ATF cooler.





2. Install the torque converter (A) on the mainshaft (B) with the new O-ring (C).
3. Install the 14 mm dowel pin (D) and 10 mm dowel pin (E) in the torque converter housing.





4. Install the transmission lower mounts.
5. Place the transmission on the jack, and raise it to engine level.





6. Attach the transmission to the engine, and install the lower transmission housing mounting bolts.





7. Install the rear transmission housing mounting bolts.





8. Install the upper transmission housing mounting bolts.





9. Install the transmission housing mounting bolt (A).
10. Install the front mount bracket (B) with the new mounting bolts.





11. Install the new set ring (A) on the intermediate shaft (B), and install the intermediate shaft in the differential. While installing the intermediate shaft in the differential, be sure not to allow dust or other foreign particles to enter the transmission. Tighten the three mounting bolts to the specified torque.
12. Install the exhaust manifold bracket (C) and heat shield (D).
13. Install the new set ring on the left driveshaft, then install the left driveshaft in the differential. While installing the driveshaft in the differential, be sure not to allow dust or other foreign particles to enter the transmission. Install the right driveshaft over the intermediate shaft.

NOTE: Turn the right and left steering knuckle fully outward, and slide the driveshafts into the differential and over the intermediate shaft until you feel the set ring engages.





14. Support the front subframe (A) with the front subframe adapter (VSB02BX0) and a jack, and lift it up to the body.





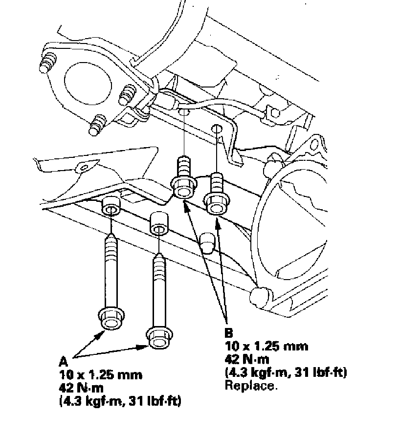
15. Loosely install the new subframe mounting bolts: front (A), rear (B), rear stiffeners (C) and mounting bolts (D), and front stiffeners (E) and mounting bolts (F).





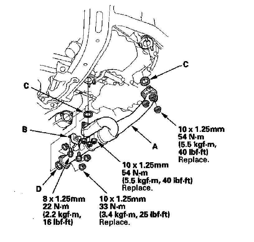
16. Align all reference marks (A) on the front subframe (B) with the body, then tighten the bolts on the front subframe to the specified torque.
17. Remove the jack and front subframe adapter.





18. Install both bolt retainers (A) on both rear mounting bolts (B) of the front subframe (C).





19. 4WD model: Install the three rear mount bracket bolts.





20. 2WD model: Install the two mount bracket bolts (A) on the rear of the bracket, and install the new bolts (B) on the front.





21. Install the transmission lower mount nuts.





22. 2WD model: Connect engine control mount solenoid valve connector (A) on the rear engine mount, and install the harness clamp (B) on its bracket. Secure the power steering fluid line bracket (C) with the bolt on the rear mount bracket.





23. 2WD model: Connect engine mount control solenoid valve connector (A) on the front engine mount, and install the harness clamp (B) on the front subframe.





24. Connect the power steering fluid hose (A) to the line (B), and secure the hose with its hose clamp (C).
25. Secure the hose with the hose clamps (D).





26. Connect the power steering pressure switch connector.





27. Attach the torque converter to the drive plate (A) with eight bolts (B). Rotate the crankshaft pulley as necessary to tighten the bolt to 1/2 of the specified torque, then to the final torque, in a crisscross pattern. After tightening the last bolt, check that the crankshaft rotates freely.
28. Install the torque converter cover (C).





29. 4WD model: Install the dowel pin (A) in the transmission. Insert the one 10 x 1.25 mm bolt (length: 105 mm) (B) in the rear upper of the transfer housing, then install the transfer assembly (C) on the transmission.





30. 4WD model: Install the propeller shaft (A) to the transfer companion flange (B) by aligning the reference mark (C).





31. 4WD model: Secure the transfer breather tube bracket (A) on the transfer assembly with the bolt, and install the breather tube (B) over the breather pipe (C) with the dot (D) on the tube facing out.





32. Install the ball joints on each lower arm (A) to each knuckle (B) with new castle nuts (C), and secure the castle nuts with the lock pins (D).
33. Install the nuts (E) to the ball joint pins (F) on each stabilizer link (G). Insert a 6 mm Allen wrench (H) in the top of the ball joint pins, and tighten the nuts to the specified torque.
34. Install the tie-rod end ball joints (I) to each knuckle with the nuts (J) and new cotter pins (K).





35. Install the exhaust pipe A with the now self-locking nuts, its mount (B), and new gaskets (C) (D).





36. Install the front subframe stiffener with the new mounting bolts.





37. 4WD model: Install a new front mount nut, and tighten it.





38. 2WD model: Install a new front mount bolt (A), and install the front mount stop (B).
39. Remove the engine support hanger, engine hanger adapters, and engine hanger balancer bar.





40. Install the connector bracket on the engine front cylinder head.





41. Install the harness clamp brackets on the engine rear cylinder head.





42. Connect the input shaft (mainshaft) speed sensor connector (A), output shaft (countershaft) speed sensor connector (B), ATF temperature sensor connector (C), and 3rd clutch transmission fluid pressure switch connector (D). Do not allow water, fluid, oil, dust, or other foreign particles to enter any of the connectors.





43. Connect the ATF cooler hoses (A) to the ATF cooler lines (B), and secure the hoses with the clips (C).





44. Connect the transmission range switch connector (A), and install the harness clamp (B) on the clamp bracket (C).
45. Install the transmission ground cable (D).





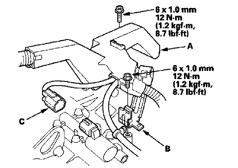
46. Secure the harness cover (A) and cover bracket (B) with the bolts.
47. Connect the A/T clutch pressure control solenoid valve C connector.





48. Install the harness cover (A) on the harness cover/clamp bracket (B), and secure it with the bolt.
49. Connect the 4th clutch transmission fluid pressure switch connector (C), and install the harness clamp (D) on the bracket. Connect the A/T clutch pressure control solenoid valve A connector (E), and A/T clutch pressure control solenoid valve B connector (F).





50. Attach the shift cable end (A) to the control lever (B), then insert the control pin (C) into the control lever hole through the shift cable end, and secure the control pin with the spring clip/washer (D).
51. Secure the shift cable bracket (E) with the nuts.





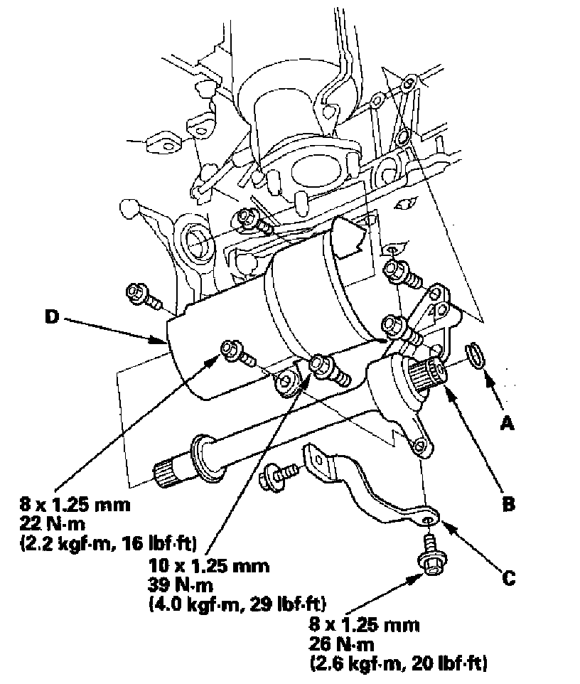
52. Install the starter (A) and new gasket (B). Install the mounting bolt (C) through the harness clamp bracket hole (D), and into the lower mounting bolt thread hole (E).





53. Install the starter cables (A), and install the harness clamps (B) on the clamp brackets (C).
54. Connect the solenoid harness connector (D).





55. Install the transmission breather tube (A) over the breather pipe (B) at the transmission housing, and install the tube in the clamp (C) at the dot (D) on the tube with facing out.





56. Install the power steering pump outlet line (A) with the new O-ring (B) to the pump, and secure the hose clamp (C) with the bolt.
57. Connect the steering joint.
58. Remove the steering wheel.
59. Center the SRS cable reel and install the steering wheel.
60. Refill the power steering fluid reservoir with fluid to the upper level line.
61. Refill the transmission with ATF.
62. Install the battery base bracket and battery base.
63. Install the air intake duct and intake manifold cover.
64. Install the battery tray, battery, and battery hold down bracket, then connect the battery terminals.
65. Install the front bulkhead cover.
66. Install the splash shield.
67. Set the parking brake, run the engine at fast idle, and turn the steering wheel from lock-to-lock several times to bleed air from the system. Recheck the fluid level, and refill if necessary.
68. Set the parking brake. Start the engine, and shift the transmission through all positions three times. Check the shift lever operation, A/T gear position indicator operation, and shift cable adjustment.
69. Start the engine in the P or N position, and warm it up to normal operating temperature (the radiator fan comes on).
70. Turn off the engine, and check the ATF level.
71. Perform the road test.
72. Enter the radio and navigation anti-theft codes, then enter the audio presets, and set the clock.
73. Do the power window control unit reset procedure.
74. Check and adjust the front wheel alignment.