Operation CHARM: Car repair manuals for everyone.
Manuals through 2025 now available!

Our trusted friends have launched a new website named LEMON, which has newer manuals. It also contains all the CHARM manuals.

LEMON is the spiritual successor to CHARM, I recommend you try it!

Link: lemon-manuals.la or lemon-manuals.org.ua

(Some people have issue connecting. LEMON is investigating. For now, use Firefox or change your DNS server)

Or, hide this message: temporarily or permanently

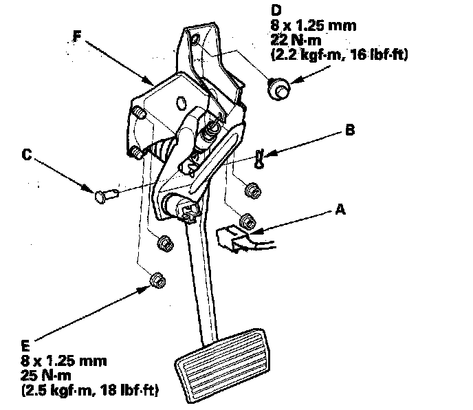
Brake Pedal Assy: Service and Repair

Brake Pedal Replacement





1. Disconnect the brake pedal position switch connector (A).
2. Remove the lock pin (B) and joint pin (C).

NOTE: Use a new lock pin whenever installing.

3. Remove the brake pedal bracket mounting bolt (D) and nuts (E).
4. Remove the brake pedal with bracket (F).
5. Install in the reverse order of removal.
6. Do the brake pedal and brake pedal position switch adjustment.