Operation CHARM: Car repair manuals for everyone.
Manuals through 2025 now available!

Our trusted friends have launched a new website named LEMON, which has newer manuals. It also contains all the CHARM manuals.

LEMON is the spiritual successor to CHARM, I recommend you try it!

Link: lemon-manuals.la or lemon-manuals.org.ua

(Some people have issue connecting. LEMON is investigating. For now, use Firefox or change your DNS server)

Or, hide this message: temporarily or permanently

Engine Removal

Engine Removal

Special Tools Required
- Engine support hanger, A and Reds AAR-T-12566
- Engine hanger balance bar VSB02C000019
- Engine hanger adapter VSB02C000014
- Front subframe adapter VSB02BX0

These special tools are available through the Honda Tool and Equipment Program 1-888-424-6857.

NOTE:
- Use fender covers to avoid damaging painted surfaces.
- To avoid damage, unplug the wiring connectors carefully while holding the connector portion.
- Mark all wiring and hoses to avoid misconnection. Also, be sure that they do not contact other wiring or hoses, or interfere with other parts.





1. Secure the hood in the wide open position by using the support rod as shown.
2. Drain the power steering system fluid.
3. Relieve fuel pressure.
4. Make sure you have the anti-theft codes for the radio and navigation system, then write down the customer's audio presets.
5. Disconnect the negative cable from the battery first, then disconnect the positive cable.
6. Remove the battery.





7. Remove the intake manifold cover.





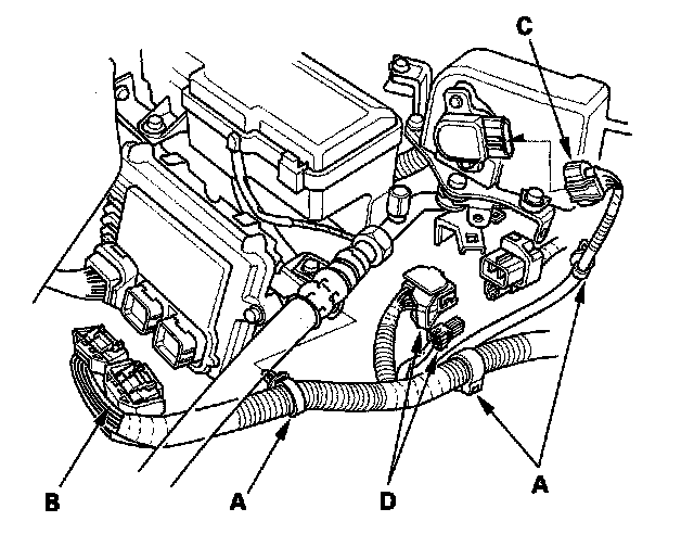
8. Disconnect the breather pipe (A), then remove the air intake duct (B).





9. Remove the harness clamps (A), then remove the battery tray (B).
10. Remove the harness bracket (C).
11. Remove the three mounting bolts (D), and loosen the mounting bolt (E), then remove the battery base (F).





12. Remove the ground cable (A), harness clamp (B), and starter cable (C).





14. Remove the fuel quick-connect fitting cover (A), then disconnect the fuel quick-connect fitting (B).





15. Remove the brake booster vacuum hose (A), evaporative emission (EVAP) canister hose (B), and hose joint (C).
16. Remove the driver's side console lower panel, and pull the carpet to expose the steering joint cover.
17. Remove the steering wheel.





18. Remove the steering joint cover (A).
19. Make a reference mark (B) across the steering joint and gearbox pinion shaft. Remove the steering joint bolt (C), and disconnect the steering joint from the steering gearbox pinion shaft (D).
20. Remove the coolant reservoir, without disconnecting hoses.





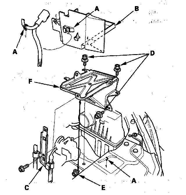
21. Remove the bolt (A) securing the washer tank, then remove the powertrain control module (PCM) cover (B).





22. Remove the harness clamps (A), then disconnect the PCM connectors (B), accelerator pedal position (APP) sensor connector (C), and engine wire harness connectors (D) on the right side of the engine compartment.





23. Remove the harness clamps (A), then remove the alternator cable (B).





24. Remove the power steering (P/S) pump outlet hose (A) from the P/S pump (B).
25. Remove the P/S hose clamp (C).
26. Remove the drive belt:
- J35A9 engine
- J35Z1 engine

27. Remove the radiator cap.
28. Raise the vehicle on the hoist to full height.
29. Remove the front wheels.





30. Remove the splash shield.
31. Loosen the drain plug in the radiator, and drain the engine coolant.
32. Drain the automatic transmission fluid (ATF).
33. Drain the engine oil.





34. Remove the front subframe stiffener.





35. Remove exhaust pipe A.





36. Make reference marks (A) on the propeller shaft (B) and transfer shaft flange (C), then separate the propeller shaft from the transfer shaft flange (4WD).
37. Remove the transfer assembly (4WD).
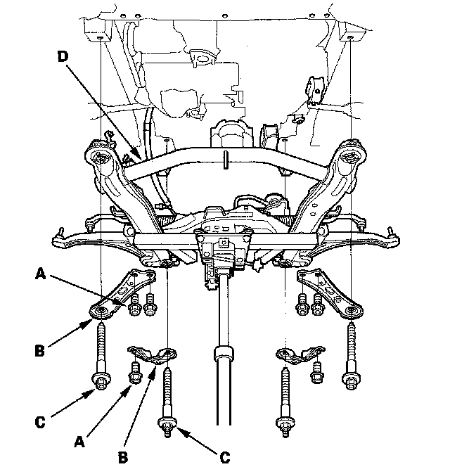
38. Separate the stabilizer links from the dampers.
39. Separate the tie-rod end ball joints from the knuckles.
40. Separate the knuckles from the suspension lower arm ball joints.
41. Remove the driveshafts. Coat all precision-finished surfaces with new engine oil. Tie plastic bags over the driveshaft ends.





42. Remove the P/S hose, then plug the line and the hose.





43. Disconnect the power steering pressure switch connector.





44. Remove the transmission lower front mount nuts and transmission lower rear mount nuts.





45. Disconnect the active control engine mount (ACM) actuator connector (A) from the rear engine mount, then remove the harness clamp (B). Remove the bolt (C) securing the P/S line (J35Z1 engine).





46. Remove the rear engine mount bolts.





47. Remove the A/C compressor without disconnecting the A/C hoses.





48. Disconnect the ACM actuator connector (A) from the front engine mount, then remove the harness clamp (B) (J35Z1 engine).
49. Lower the vehicle on the hoist





50. Remove the heater hoses.





51. Remove the upper radiator hose (A), and lower radiator hose (B).





52. Remove the ground cable.





53. Remove the ATF cooler hoses from the transmission, then plug the ATF cooler hoses and lines.
54. Remove the radiator.





55. Hang the A/C compressor with a rope as shown.





56. Remove the connector bracket from the engine front cylinder head; use the bracket bolt hole to attach engine hanger balancer bar front arm.





57. Remove the harness clamp bracket from the engine rear cylinder head; use the bracket bolt hole to attach engine hanger balancer bar rear arm.





58. Install the engine hanger balance bar (VSB02C000019); attach the front arm (A) to the front cylinder head with a spacer and the 10 mm bolt, and attach the rear arm (B) to the rear cylinder head with the 8 mm bolt.
59. Install the engine hanger adapters (VSB02C000014) on the ends of the support beams of the engine support hanger (AAR-T-12566). Install the engine support hanger and adapters to the vehicle, and attach the hook to the slotted hole in the engine hanger balance bar. Tighten the wing nut (C) by hand, and to lift and support the engine.





60. Remove the front engine mount nut (J35A9 engine).





61. Remove the front mount stop (A), then remove the front mount bolt (B) (J35Z1 engine).
62. Make sure the hoist brackets are positioned properly. Raise the vehicle on the hoist to full height.





63. Make the appropriate reference lines (A) at the both sides of the front subframe (B) that line up with the edge (C) of the body.





64. Loosen the four bolts (A) holding the adjustable arms (B) of the front subframe adapter to its center plate.





65. Line up the slots in the arms with the bolt holes on the corner of the jack base, then attach the adapter to the jack base with the bolts (A) that came with the jack. Tighten all bolts securely.
66. Raise the jack to vehicle height, then attach the adapter to the front subframe using the subframe stiffener mounting bolts (B) and bolt holes.





67. Remove the bolt retainers from both ends of the subframe.





68. Remove the six 12 x 1.25 mm bolts (A) securing the subframe stiffeners (B), the four subframe mounting bolts (C), and the stiffeners, then lower the front subframe (D).
69. Lower the vehicle on the hoist.





70. Attach a chain hoist (A) to the engine hook (B) and the transmission hook (C), then lift up the engine/transmission assembly until it is securely supported by the chain hoist, and remove the engine support hanger and engine hanger adapters.





71. Remove the mounting bolts from the upper half of the side engine mount bracket.
72. Check that the engine/transmission is completely free of vacuum hoses, fuel and coolant hoses, and electrical wiring.
73. Slowly lower the engine/transmission assembly about 150 mm (6 inch). Check once again that all hoses and wires are disconnected from the engine/transmission.
74. Lower the engine/transmission assembly all the way. Remove the chain hoist from the engine.
75. Remove the engine/transmission assembly from under the vehicle.