Operation CHARM: Car repair manuals for everyone.
Manuals through 2025 now available!

Our trusted friends have launched a new website named LEMON, which has newer manuals. It also contains all the CHARM manuals.

LEMON is the spiritual successor to CHARM, I recommend you try it!

Link: lemon-manuals.la or lemon-manuals.org.ua

(Some people have issue connecting. LEMON is investigating. For now, use Firefox or change your DNS server)

Or, hide this message: temporarily or permanently

Condenser Fan: Service and Repair

Radiator and Fan Replacement

NOTE:
^ Use fender covers to avoid damaging painted surfaces.
^ To avoid damaging the wires and terminals, unplug the wiring connectors carefully while holding the connector portion.
^ Mark all wiring and hoses to avoid misconnection. Also, be sure that they do not contact any other wiring or hoses, or interfere with any other parts.

1. Make sure you have the anti-theft codes for the radio and navigation system, then write down the customer's audio presets.
2. Disconnect the negative cable from the battery first, then disconnect the positive cable.
3. Remove the battery.





4. Remove the harness clamps (A), then remove the battery tray (B).
5. Remove the harness bracket (C).
6. Remove the three mounting bolts (D), and loosen the mounting bolt (E), then remove the battery base (F).
7. Remove the bulkhead cover.





8. Disconnect the A/C compressor clutch connector (A), hood switch connector (B), and fan motor connectors (C).
9. Remove the harness clips (D).
10. Remove the ground cable (E) and harness clamp (F).
11. Drain the engine coolant.





12. Remove the upper radiator hose.





13. Remove the bulkhead bracket.





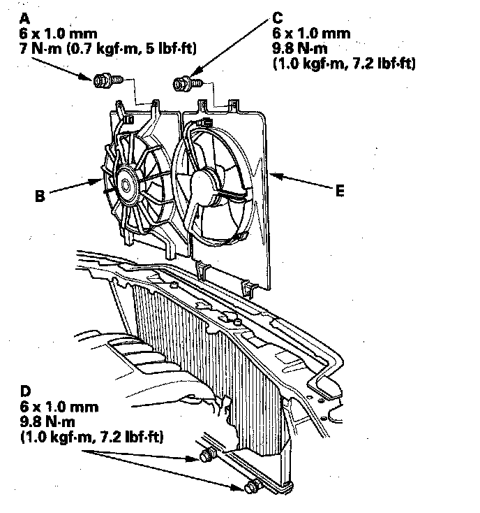
14. Remove the two bolts (A) securing the radiator fan shroud, then remove the radiator fan shroud assembly (B) from the battery side.
15. Remove the two bolts (C), and loosen the two bolts (D) securing the A/C condenser fan shroud, then remove the A/C condenser fan shroud assembly (E) from the battery side.





16. Remove the lower radiator hose (A) and automatic transmission fluid (ATF) cooler hoses (B). Plug the ATF cooler hoses and lines.





17. Remove the radiator upper bracket/cushions (A) and A/C condenser brackets (B).





18. Pull up the radiator assembly (A), then remove the lower cushions (B).
19. Install the radiator and fans in the reverse order of removal.
20. Apply touch-up paint to the bulkhead bracket mounting bolts.
21. Check the upper and lower cushions are being installed securely.
22. Adjust the engine hood latch.
23. Install the battery. Clean the battery posts and cable terminals with sandpaper, then assemble them and apply grease to prevent corrosion.
24. Fill the radiator with engine coolant, and bleed air from the system.
25. Do the power window reset procedure.
26. Enter the anti-theft codes for the radio and the navigation system, then enter the customer's audio presets.
27. Set the clock.