Operation CHARM: Car repair manuals for everyone.
Manuals through 2025 now available!

Our trusted friends have launched a new website named LEMON, which has newer manuals. It also contains all the CHARM manuals.

LEMON is the spiritual successor to CHARM, I recommend you try it!

Link: lemon-manuals.la or lemon-manuals.org.ua

(Some people have issue connecting. LEMON is investigating. For now, use Firefox or change your DNS server)

Or, hide this message: temporarily or permanently

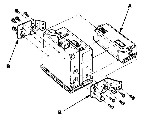
Climate Control Unit Removal and Installation

Climate Control Unit Removal and Installation

1. Remove the center panel.




2. Remove the screws, and remove the climate control unit (A) with the brackets from the dashboard, then disconnect the connectors (B).




3. Remove the screws and the climate control unit (A) from the brackets (B).
4. Install the control unit in the reverse order of removal. After installation, operate the control unit controls to see whether it works properly.
5. Run the self-diagnostic function to confirm that there are no problems in the system.