Operation CHARM: Car repair manuals for everyone.
Manuals through 2025 now available!

Our trusted friends have launched a new website named LEMON, which has newer manuals. It also contains all the CHARM manuals.

LEMON is the spiritual successor to CHARM, I recommend you try it!

Link: lemon-manuals.la or lemon-manuals.org.ua

(Some people have issue connecting. LEMON is investigating. For now, use Firefox or change your DNS server)

Or, hide this message: temporarily or permanently

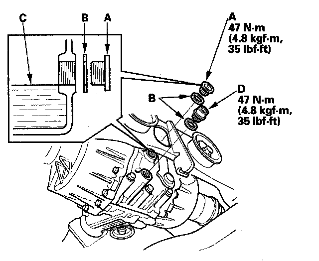
Fluid - Differential: Service and Repair

Differential Fluid Inspection and Replacement
1. With the vehicle on level ground, inspect the differential fluid with the ignition switch OFF.





2. Remove the oil filler plug (A) and sealing washer (B), then check the condition of the fluid, and make sure the fluid is at the proper level (C).
3. The fluid level must be up to the fill hole. If it is below the hole, add the recommended fluid until it runs out, then reinstall the oil filler plug with a new sealing washer.
4. If the differential fluid is dirty, remove the drain plug (D) and sealing washer (B), then drain the fluid.
5. Clean the drain plug, then reinstall with a new washer, and refill the differential with the recommended fluid to the proper level.
Fluid capacity: 2.64 Liters (2.79 US quart) at fluid change
Recommended fluid: VTM-4 Differential Fluid (P/N 08200-9003)
6. Reinstall the -oil filler plug with a new washer.