Operation CHARM: Car repair manuals for everyone.
Manuals through 2025 now available!

Our trusted friends have launched a new website named LEMON, which has newer manuals. It also contains all the CHARM manuals.

LEMON is the spiritual successor to CHARM, I recommend you try it!

Link: lemon-manuals.la or lemon-manuals.org.ua

(Some people have issue connecting. LEMON is investigating. For now, use Firefox or change your DNS server)

Or, hide this message: temporarily or permanently

Shift Cable: Service and Repair

Shift Cable Replacement
SRS components are located in this area. Review the SRS component locations, and the precautions and procedures in the SRS before performing repairs or service.
1. Remove the steering column upper and lower covers.
2. Remove the instrument panel.
3. Shift the transmission into the N position.





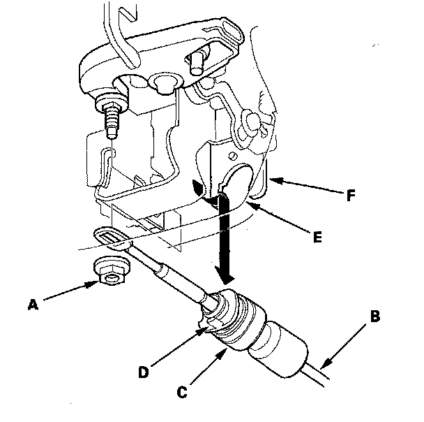
4. Remove the nut (A) securing the shift cable end, then separate the shift cable (B) from the shift lever.
5. Rotate the socket holder (C) on the shift cable a quarter turn; the tab (D) on the socket holder will be in the opening (E) of the socket holder bracket (F). Then slide the holder to remove the shift cable from the socket holder bracket.
6. Get the customer's radio (and navigation) anti-theft codes, and write down the radio presets.
7. Disconnect the negative cable from the battery, then disconnect the positive cable from the battery.
8. Remove the battery hold-down bracket, and remove the battery and battery tray.
9. Remove the intake manifold cover and intake air duct.
10. Remove the battery base and battery base bracket.





11. Remove the nuts securing the shift cable bracket (A).
12. Remove the spring clip/washer (B) and control pin (C), then separate the shift cable end (D) from the control lever (E).





13. Remove the cable clamp (A) from the shift cable bracket (B), and remove the nuts securing the shift cable bracket.
14. Remove the shift cable grommet (C), and pull out the shift cable (D).
15. Insert the new shift cable through the grommet hole (E), and install the grommet in its hole. Do not bend the shift cable excessively.





16. Secure the shift cable bracket (A) with the mounting nuts, and install the cable clamp in its bracket.
17. Attach the shift cable end (B) to the control lever (C), then insert the control pin (D) into the hole in the control lever and through the cable end. Secure the control pin with the spring clip/washer (E).
18. Secure the shift cable bracket with the nuts on the transmission housing.
19. Verify that the transmission is in the N position at the control lever on the transmission range switch.





20. If necessary, push the shift cable (A) until it stops, then release it. Pull the shift cable back two steps so that the shift position is in N. Do not hold the shift cable guide (B) and damper (C) to adjust the shift position.





21. Place the shift lever in the N position, then insert a 6.0 mm (0.24 inch) pin (A) through the positioning hole (B) on the detent plate, and into the positioning hole (C) on the control bracket. The shift lever is secured in the N position.





22. Align the socket holder (A) on the shift cable (B) with the slot in the socket holder bracket (C), then slide the holder into the bracket. Install the shift cable end (D) over the mounting stud (E) by aligning its square hole (F) with the square fitting (G) at the bottom of the stud. Rotate the holder a quarter turn to secure the shift cable. Do not install the shift cable by twisting the shift cable guide (H) and damper (I).





23. Verify that the shift cable end (A) is properly installed on the mounting stud (B).





24. If improperly installed, remove the shift cable from the socket holder bracket, and reinstall the shift cable. Do not install the shift cable end on the mounting stud while the shift cable is on the socket holder bracket.
25. Install and tighten the nut.
26. Remove the 6.0 mm (0.24 inch) pin that was installed to hold the shift lever.
27. Install the battery base bracket and battery base.
28. Install the intake air duct and intake manifold cover.
29. 1 Install the battery tray, battery, and battery hold down bracket, then connect the battery terminals.
30. Move the shift lever to each position, and verify that the A/T gear position indicator follows the transmission range switch.
31. 4WD model: Raise the vehicle, make sure it is securely supported, and allow all four wheels to rotate freely.
2WD model: Raise the front of the vehicle, make sure it is securely supported, and allow the front wheels to rotate freely.
32. Start the engine, and check the shift lever operation in all positions.
33. Install the instrument panel.
34. Install the steering column upper and lower covers.
35. Enter the radio and navigation anti-theft codes, then enter the radio presets and set the clock.
36. Do the power window control unit reset procedure.