Operation CHARM: Car repair manuals for everyone.
Manuals through 2025 now available!

Our trusted friends have launched a new website named LEMON, which has newer manuals. It also contains all the CHARM manuals.

LEMON is the spiritual successor to CHARM, I recommend you try it!

Link: lemon-manuals.la or lemon-manuals.org.ua

(Some people have issue connecting. LEMON is investigating. For now, use Firefox or change your DNS server)

Or, hide this message: temporarily or permanently

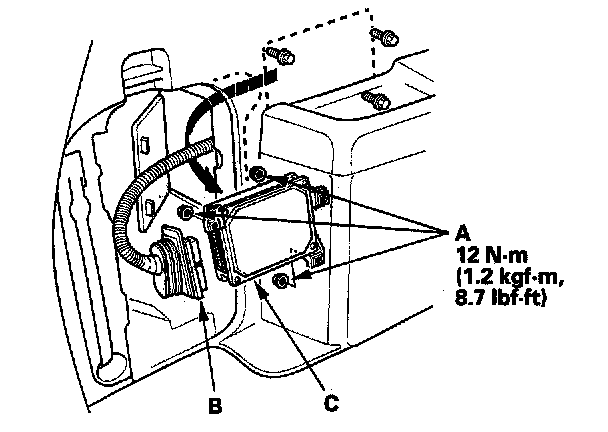
Control Unit: Service and Repair

VTM-4 Control Unit Replacement

NOTE: The VTM-4 control unit must be initialized after replacement, otherwise the 4WD system will not work.

1. Remove the jack cover and jack.
2. Remove the fuel filler door latch from the body by turning it 90 degrees.





3. Loosen the three nuts (A).
4. Disconnect the VTM-4 control unit connectors (B).
5. Remove the VTM-4 control unit (C).
6. Install the VTM-4 control unit in the reverse order of removal.