Operation CHARM: Car repair manuals for everyone.
Manuals through 2025 now available!

Our trusted friends have launched a new website named LEMON, which has newer manuals. It also contains all the CHARM manuals.

LEMON is the spiritual successor to CHARM, I recommend you try it!

Link: lemon-manuals.la or lemon-manuals.org.ua

(Some people have issue connecting. LEMON is investigating. For now, use Firefox or change your DNS server)

Or, hide this message: temporarily or permanently

Wiper Motor: Service and Repair

Wiper Motor Replacement

Windshield




1. Remove the nuts (A) and the windshield wiper arms (B).




2. Remove the hood seal (A) and cowl covers (B).




3. Disconnect the 5P connector (A) from the windshield wiper motor (B).
4. Remove the mounting bolts and the wiper linkage assembly (C).




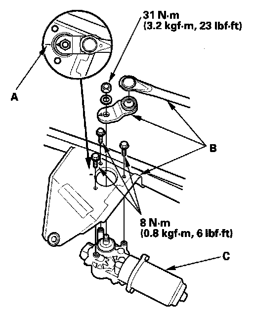
5. Scribe a line (A) across the link and windshield wiper linkage to show the original adjustment. Separate the windshield wiper linkage (B) from the wiper motor (C).
6. Install in the reverse order of removal, and note these items:
- Apply multipurpose grease to the moving parts.
- Before reinstalling the wiper arms, turn the wiper switch ON, then OFF to return the wiper shafts to the park position.
- If necessary, replace any damaged clips.
- Make sure the wiper motor operates properly.

Rear Window




1. Remove the cover (A), mounting nut (B) and rear window wiper arm (C).
2. Open the tailgate and remove the tailgate lower trim panel.




3. Disconnect the 4P connector (A) from the rear window wiper motor (B).
4. Remove the mounting bolts and the wiper motor.
5. Install in the reverse order of removal.