Operation CHARM: Car repair manuals for everyone.
Manuals through 2025 now available!

Our trusted friends have launched a new website named LEMON, which has newer manuals. It also contains all the CHARM manuals.

LEMON is the spiritual successor to CHARM, I recommend you try it!

Link: lemon-manuals.la or lemon-manuals.org.ua

(Some people have issue connecting. LEMON is investigating. For now, use Firefox or change your DNS server)

Or, hide this message: temporarily or permanently

Brake Hose/Line: Service and Repair

Brake Hose Replacement

NOTE:
^ Before reassembling, check that all parts are free of dust and other foreign particles.
^ Replace parts with new ones whenever specified to do so.
^ Do not spill brake fluid on the vehicle; it may damage the paint; if brake fluid gets on the paint, wash it off immediately with water.





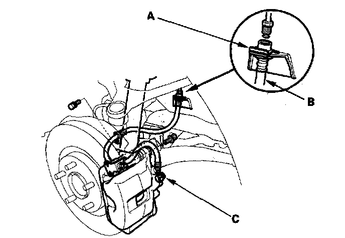
1. Replace the brake hose (A) if the hose is twisted, cracked, or if it leeks.
2. Disconnect the brake hose from the brake line (B) using a 10 mm flare-nut wrench (C).





3. Remove and discard the brake hose clip (A) from the brake hose (B).
4. Remove the banjo bolt (C), and disconnect the brake hose from the caliper.
5. Remove the brake hose from the knuckle and damper bracket.





6. Install the brake hose (A) on the knuckle and damper bracket with two 6 mm flange bolts (B) and the 8 mm flange bolt (C) first, then connect the brake hose to the caliper with the banjo bolt (D) and new sealing washers (E).





7. Install the brake hose (A) on the upper brake hose bracket (B) with a new brake hose clip (C).
8. Connect the brake line (D) to the brake hose.
9. After installing the brake hose, bleed the brake system.
10. Do the following checks:
^ Check the brake hose and line joint for leaks, and tighten if necessary.
^ Check the brake hoses for interference and twisting.