Operation CHARM: Car repair manuals for everyone.
Manuals through 2025 now available!

Our trusted friends have launched a new website named LEMON, which has newer manuals. It also contains all the CHARM manuals.

LEMON is the spiritual successor to CHARM, I recommend you try it!

Link: lemon-manuals.la or lemon-manuals.org.ua

(Some people have issue connecting. LEMON is investigating. For now, use Firefox or change your DNS server)

Or, hide this message: temporarily or permanently

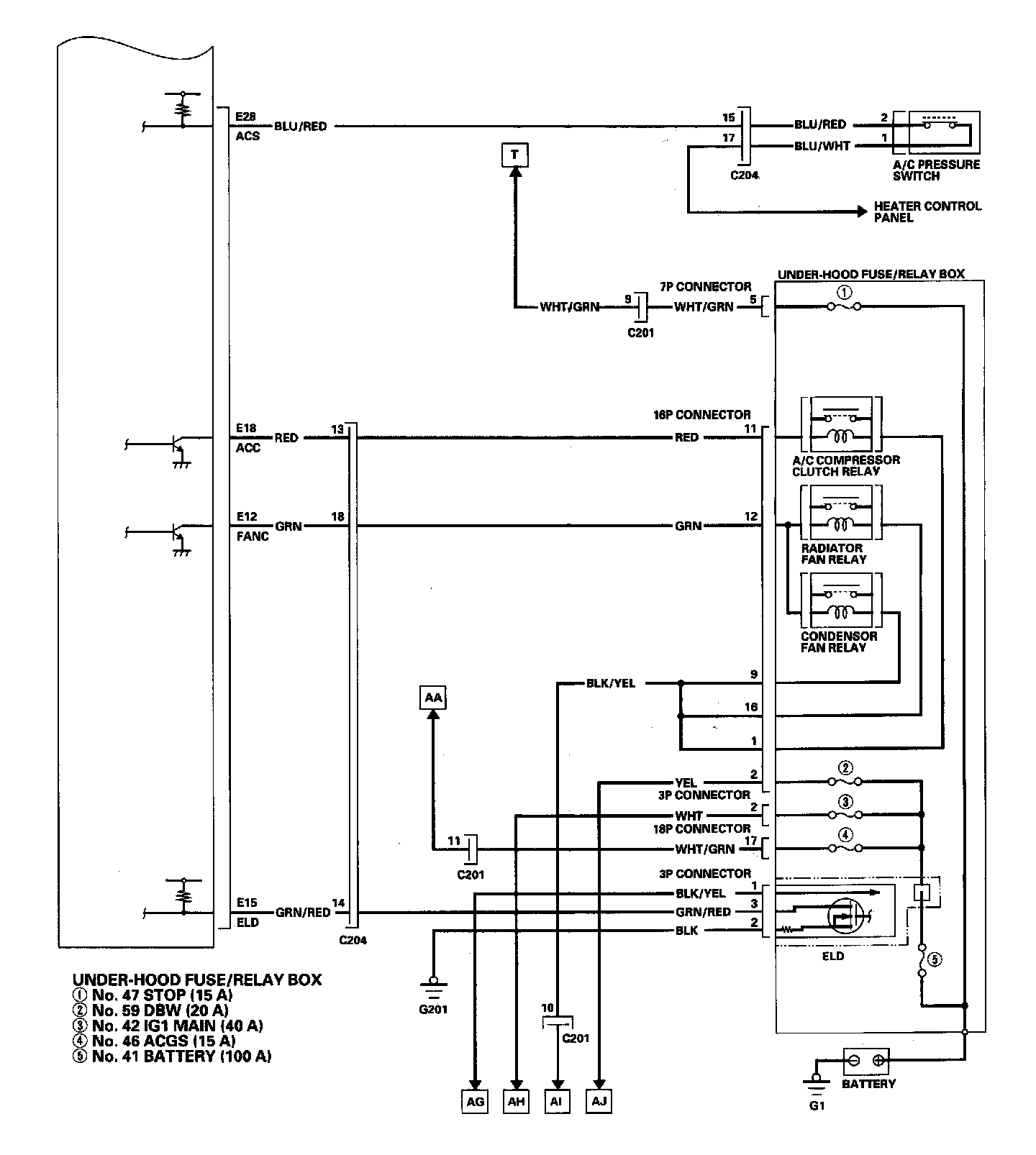
ECM Circuit Diagrams

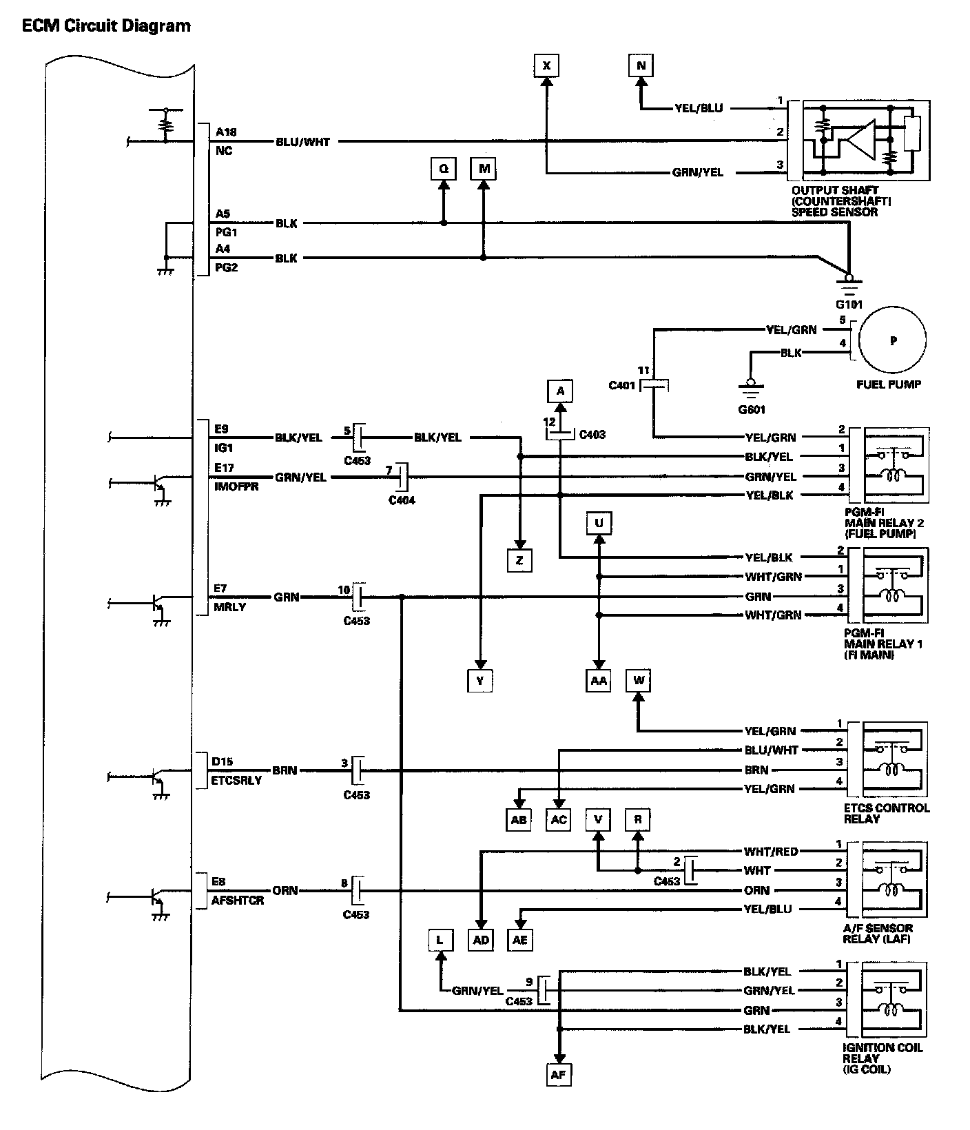
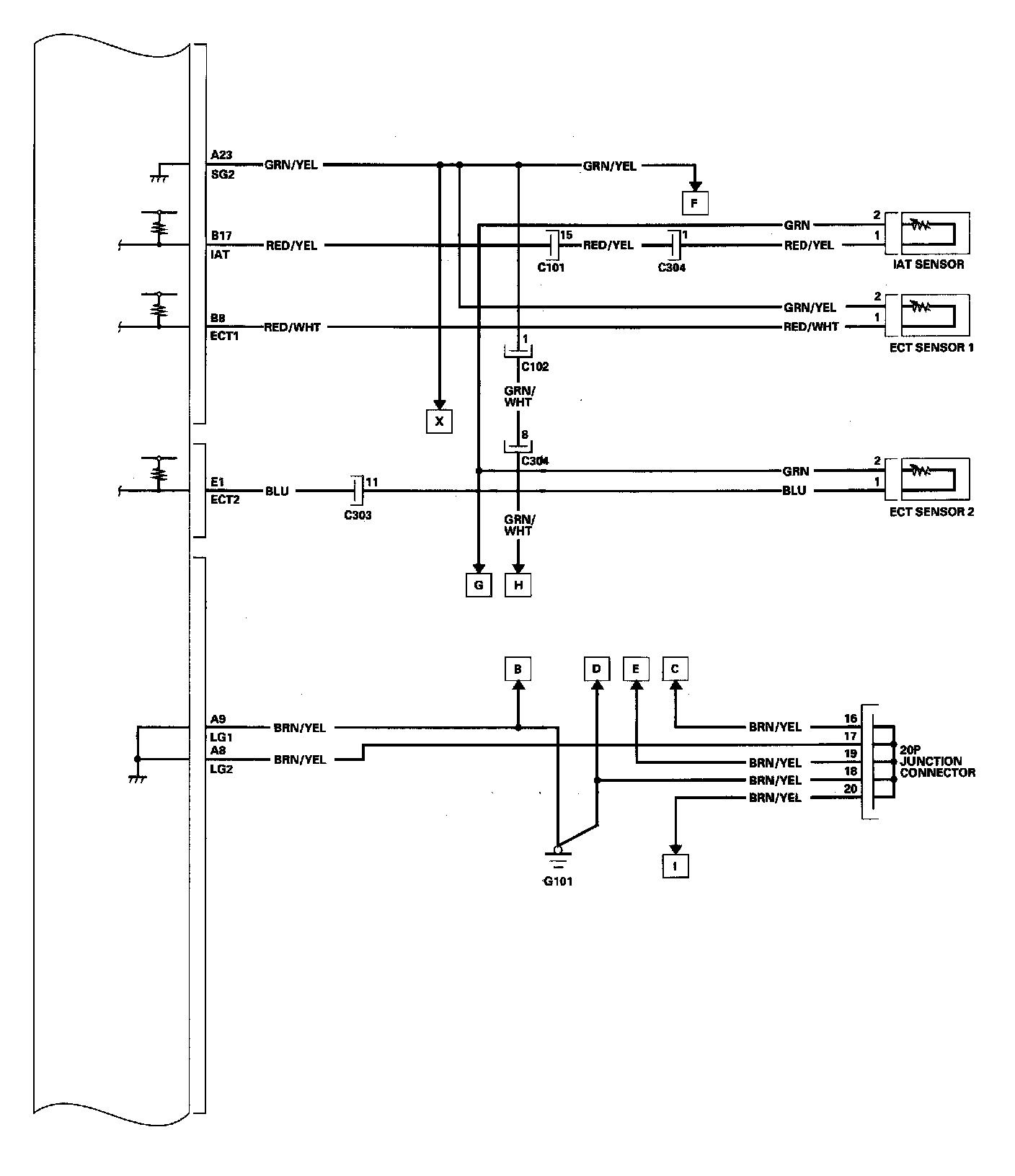
ECM Circuit Diagram 11-245:



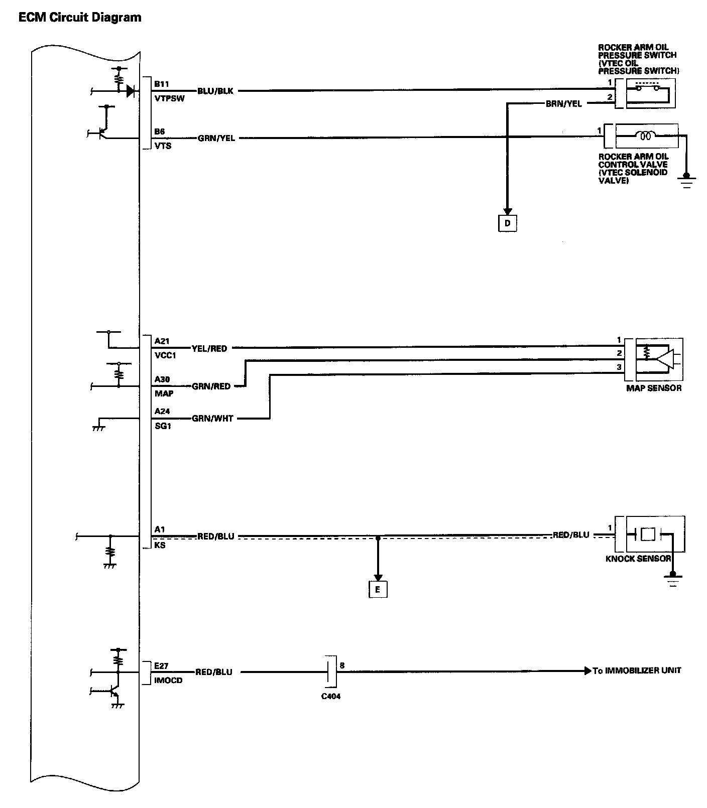
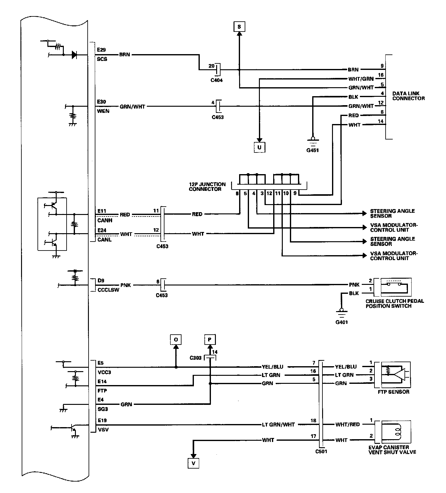
ECM Circuit Diagram 11-246:



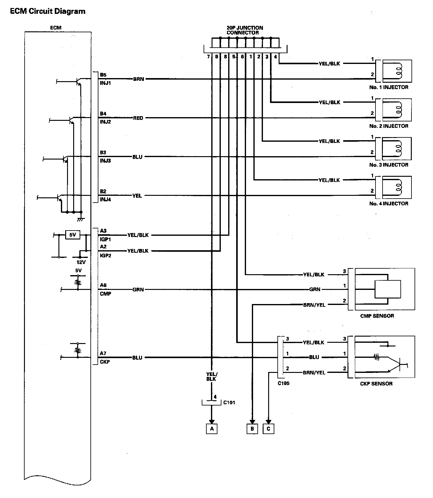
ECM Circuit Diagram 11-247:



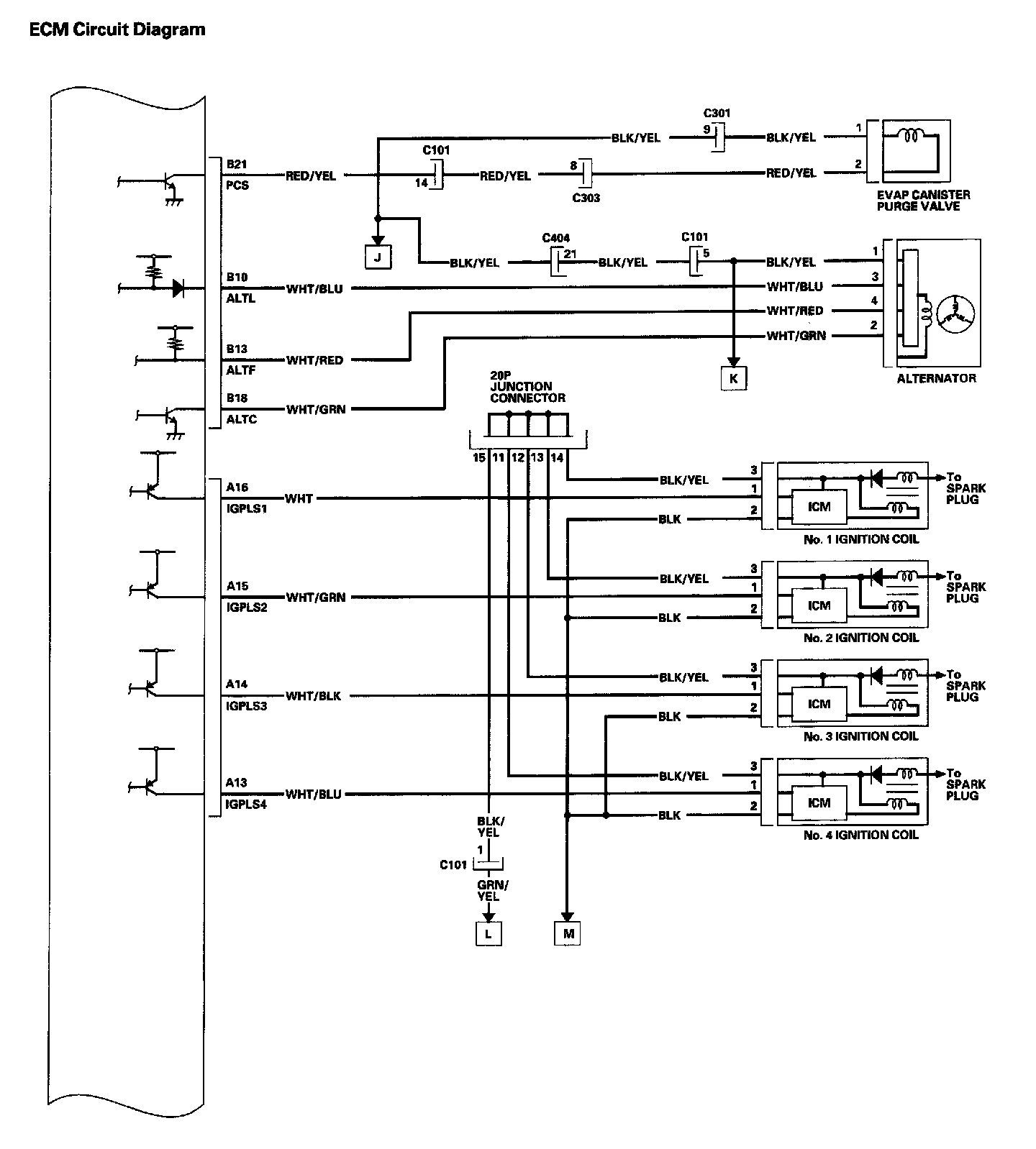
ECM Circuit Diagram 11-248:



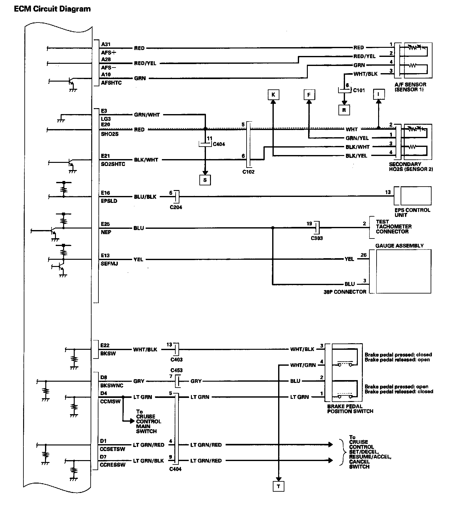
ECM Circuit Diagram 11-249:



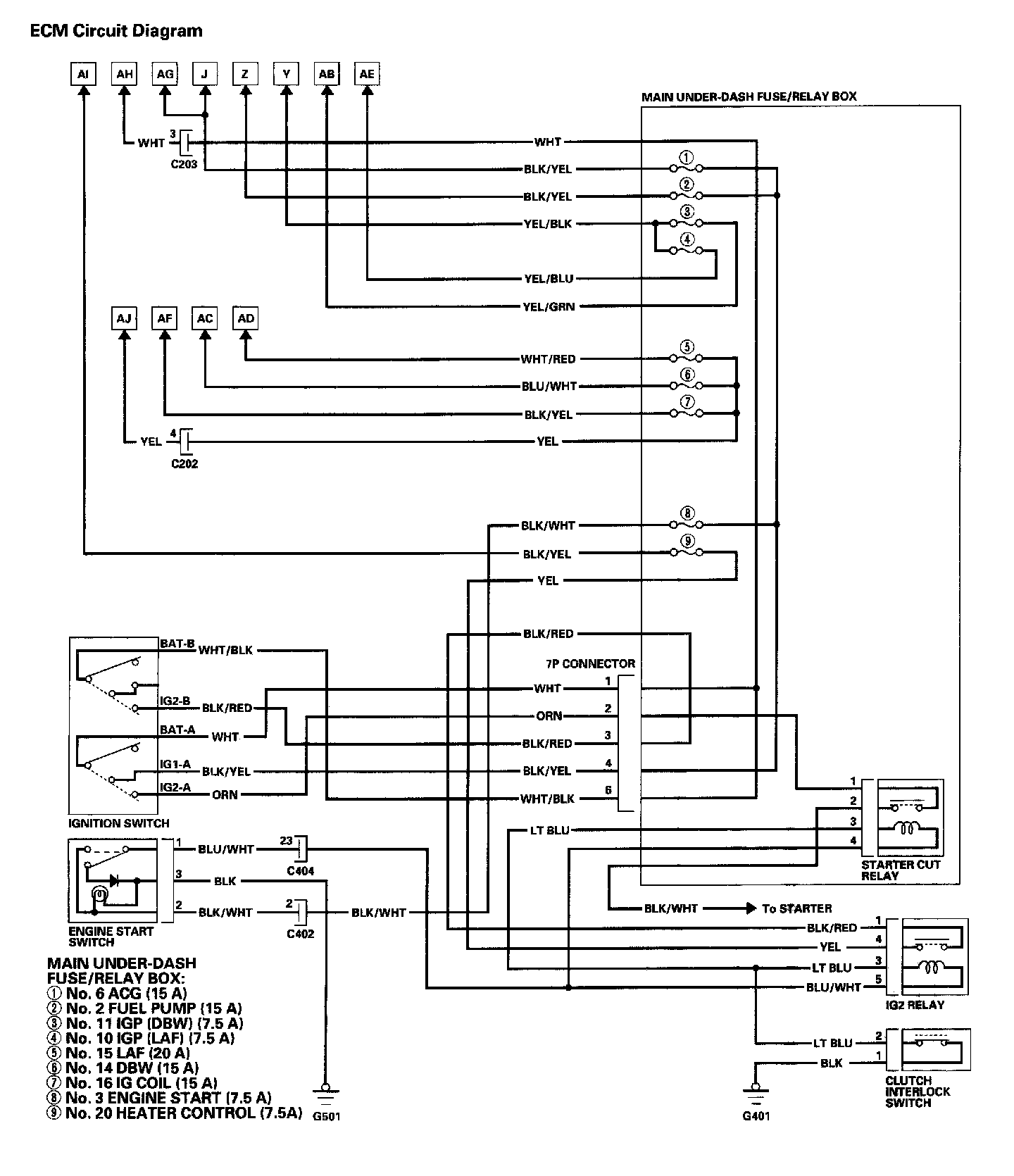
ECM Circuit Diagram 11-250:



ECM Circuit Diagram 11-251:



ECM Circuit Diagram 11-252:



ECM Circuit Diagram 11-253:



ECM Circuit Diagram 11-254: