Operation CHARM: Car repair manuals for everyone.
Manuals through 2025 now available!

Our trusted friends have launched a new website named LEMON, which has newer manuals. It also contains all the CHARM manuals.

LEMON is the spiritual successor to CHARM, I recommend you try it!

Link: lemon-manuals.la or lemon-manuals.org.ua

(Some people have issue connecting. LEMON is investigating. For now, use Firefox or change your DNS server)

Or, hide this message: temporarily or permanently

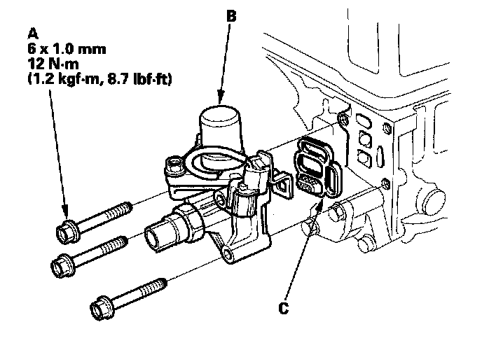
Variable Valve Timing Solenoid: Service and Repair

Rocker Arm Oil Control Valve (VTEC Solenoid Valve) Removal/Installation

1. Disconnect the rocker arm oil control valve (VTEC solenoid valve) 1P connector and rocker arm oil pressure switch (VTEC oil pressure switch) 2P connector.




2. Remove the bolts (A).
3. Remove the rocker arm oil control valve (VTEC solenoid valve) (B).
4. Install the rocker arm oil control valve (VTEC solenoid valve) in the reverse order of removal with a new filter (C).