Operation CHARM: Car repair manuals for everyone.
Manuals through 2025 now available!

Our trusted friends have launched a new website named LEMON, which has newer manuals. It also contains all the CHARM manuals.

LEMON is the spiritual successor to CHARM, I recommend you try it!

Link: lemon-manuals.la or lemon-manuals.org.ua

(Some people have issue connecting. LEMON is investigating. For now, use Firefox or change your DNS server)

Or, hide this message: temporarily or permanently

Overhaul

Alternator Overhaul




Exploded View

Special Tools Required
- Driver 07749-0010000
- Attachment, 42 x 47 mm 07746-0010300

NOTE: Refer to the Exploded View as needed during this procedure.

Alternator Disassembly

1. Test the alternator and regulator before you remove them.
2. Remove the alternator.




3. If the front bearing needs replacing, remove the pulley locknut with a 10 mm wrench (A) and a 22 mm wrench (B). If necessary, use an impact wrench.




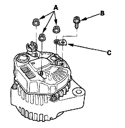
4. Remove the three flange nuts (A) and the screw (B) from the alternator, then remove the plate terminal (C).




5. Remove the washer nut (A) and insulator (B) from the B terminal, then remove the end cover (C) and dust seal (D).




6. Remove the brush holder




7. Remove the voltage regulator.




8. Remove the four screws (A), then remove the rectifier (B) and rubber seal (C).




9. Remove the four flange nuts.




10. Remove the four insulators (A), rear housing (B), and washer (C).




11. If you are not replacing the front bearing and/or rear bearing, go to step 18. Remove the rotor from the stator drive-end housing.
12. Inspect the rotor shaft for scoring, and inspect the bearing journal surface in the stator housing for seizure marks.
- If either the rotor or stator housing is damaged, replace the alternator.
- If both the rotor and the stator housing are OK, go to step 13.




13. Remove the rear bearing using a puller as shown.




14. With a hammer and commercially available tools shown, install a new rear bearing on the rotor shaft.




15. Remove the front bearing retainer plate.




16. Support the stator housing in a vise, and drive out the front bearing with a brass drift (A) and hammer.




17. With a hammer and the special tools, install a new front bearing in the stator housing.

Rectifier Test




18. Check for continuity in each direction, between the B terminal and P terminals, and between the E terminal and P terminals of each diode pair. All diodes should have continuity in only one direction. Because the rectifier diodes are designed to allow current to pass in one direction, and the rectifier is made up of eight diodes (four pairs), you must test each diode in both directions for continuity with an ohmmeter that has diode checking capability: a total of 16 checks.
- If any diode is faulty, replace the rectifier assembly. (Diodes are not available separately.)
- If all the diodes are OK, go to step 19.

Alternator Brush Inspection




19. Measure the length of both brushes (A) with a vernier calipers (B).
- If either brush is shorter than the service limit, replace the brush assembly.
- If brush length is OK, go to step 20.

Rotor Slip Ring Test




20. Check for continuity between the slip rings (A).
- If there is continuity, go to step 21.
- If there is no continuity, replace the alternator.

21. Then check for continuity between each slip ring and the rotor (B) and the rotor shaft (C).
- If there is no continuity, go to step 22.
- If there is continuity, replace the alternator.

Stator Test




22. Check for continuity between each pair of leads (A).
- If there is no continuity, go to step 23.
- If there is no continuity, replace the alternator.

23. Check for continuity between each lead and the coil core (B).
- If there is no continuity, go to step 24.
- If there is continuity, replace the alternator.

Alternator Reassembly

24. Reassemble the alternator in the reverse order of disassembly, and note these items:
- Be careful not to get any grease or oil on the slip rings.
- If you removed the pulley, tighten its locknut to 111 N.m (11.3 kgf.m, 81.7 lbf.ft) when you reinstall it.