Operation CHARM: Car repair manuals for everyone.
Manuals through 2025 now available!

Our trusted friends have launched a new website named LEMON, which has newer manuals. It also contains all the CHARM manuals.

LEMON is the spiritual successor to CHARM, I recommend you try it!

Link: lemon-manuals.la or lemon-manuals.org.ua

(Some people have issue connecting. LEMON is investigating. For now, use Firefox or change your DNS server)

Or, hide this message: temporarily or permanently

Differential Assembly: Description and Operation

System Description
The vehicle uses the Torsen type limited slip differential (LSD) which is rubber-mounted to the subframe.

Construction





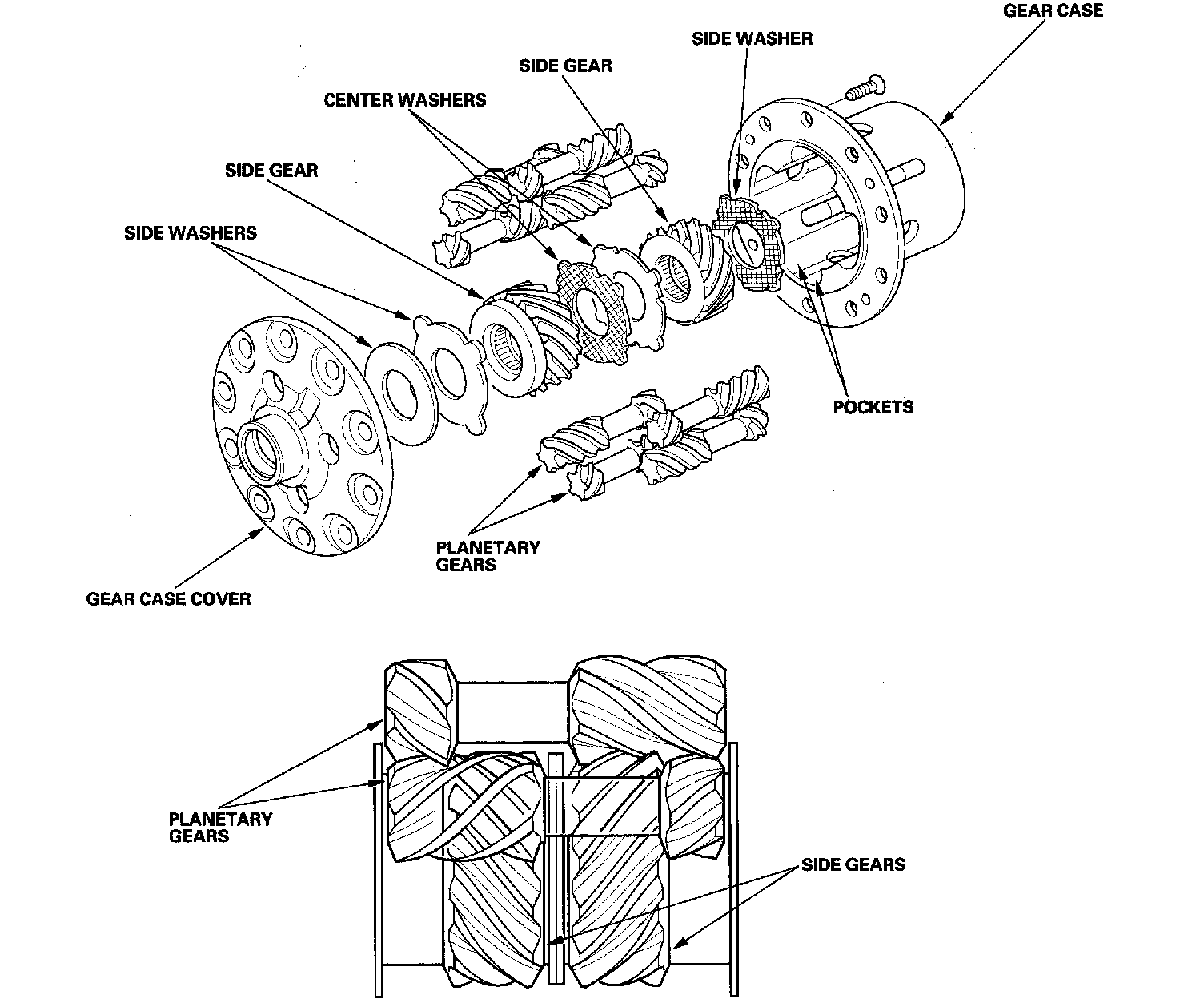
^ The Torsen type LSD assembly consists of the two side gears, eight planetary gears, three side washers, two center washers, a gear case cover and a gear case.
^ The planetary gear consists of the short and long planetary gears, and the long planetary gear meshes horizontally with the side gear. The two planetary gears mesh with the side gears at both ends.
^ The planetary gears are housed in the pockets of the gear case.
^ The left and right output shafts are engaged with the side gears.
^ The Torsen type LSD assembly is a non-serviceable part except the tapered roller bearings. If the Torsen type (LSD) assembly is faulty, it must be replaced as an assembly.

Operation





^ Straight-road driving
The differential carrier and gears rotate together as a unit when both wheels rotate at the same speed. Turning effort from the ring gear is directly transmitted to both wheels.
^ When rounding a curve
When the vehicle rounds a curve, the differential allows the outer wheel to rotate a little faster than the inner wheel. When this takes place, the short and long pinion gears rotate, and walk around the side gears in the directions shown. If, for example, the right shaft is rotated in a counterclockwise direction with the differential carrier held stationary, the force is transmitted through the right side gear, short pinion gears and long pinion gears to the left side gear, causing the left shaft to rotate in a clockwise direction. This allows the outer wheel to turn more times than the inner wheel when the vehicle goes around a turn.





^ When limiting differential action
The limited slip differential acts to limit the differential action when either wheel slips on ice or snow or on turns. This is done by using the friction created between each gear and differential carrier: (1) The pinions are forced against the differential carrier by the force as they are rotated and repelled outward. (2) The ends of the pinion gears are held firmly against the differential carrier due to the side thrust from the helically cut gears.
With the pinion gears locked, the torque applied to the slipping wheel is reduced and the torque delivered to the other wheel is increased.