Operation CHARM: Car repair manuals for everyone.
Manuals through 2025 now available!

Our trusted friends have launched a new website named LEMON, which has newer manuals. It also contains all the CHARM manuals.

LEMON is the spiritual successor to CHARM, I recommend you try it!

Link: lemon-manuals.la or lemon-manuals.org.ua

(Some people have issue connecting. LEMON is investigating. For now, use Firefox or change your DNS server)

Or, hide this message: temporarily or permanently

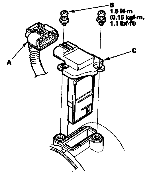
Air Flow Meter/Sensor: Service and Repair

MAF Sensor/IAT Sensor 1 Replacement




1. Disconnect the MAF sensor/IAT sensor 1 connector (A).
2. Remove the screws (B).
3. Remove the MAF sensor/IAT sensor 1 (C).
4. Install the parts in the reverse order of removal.