Operation CHARM: Car repair manuals for everyone.
Manuals through 2025 now available!

Our trusted friends have launched a new website named LEMON, which has newer manuals. It also contains all the CHARM manuals.

LEMON is the spiritual successor to CHARM, I recommend you try it!

Link: lemon-manuals.la or lemon-manuals.org.ua

(Some people have issue connecting. LEMON is investigating. For now, use Firefox or change your DNS server)

Or, hide this message: temporarily or permanently

Compressor HVAC: Service and Repair

A/C Compressor Replacement

NOTE: Do not install an A/C compressor into a system unless you are completely sure that the system is free of contamination. Installing the A/C compressor into a contaminated system can result in premature A/C compressor failure.

1. If the A/C compressor is marginally operable, run the engine at idle speed, and let the air conditioning work for a few minutes, then shut the engine off.
2. Recover the refrigerant with a recovery/recycling/charging station.
3. Remove the drive belt.
4. Remove the front splash shield.




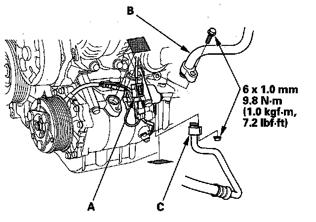
5. Disconnect the A/C compressor clutch connector (A). Remove the bolt and the nut, then disconnect the suction hose (B) and discharge hose (C) from the A/C compressor. Plug or cap the lines immediately after disconnecting them to avoid moisture and dust contamination.




6. Remove the mounting bolts and the A/C compressor (A). Be careful not to damage the radiator fins when removing the A/C compressor.
7. Install the compressor in the reverse order of removal, and note these items:
- Inspect the A/C lines for any signs of contamination.
- Replace the O-rings with new ones at each fitting, and apply a thin coat of refrigerant oil before installing them. Be sure to use the correct O-rings for HFC-134a (R-134a) to avoid leakage.
- Use refrigerant oil (SP-1O) for HFC-134a SANDEN spiral type A/C compressor only.
- To avoid contamination, do not return the oil to the container once dispensed, and never mix it with other refrigerant oils.
- Immediately after using the oil, reinstall the cap on the container, and seal it to avoid moisture absorption.
- Do not spill the refrigerant oil on the vehicle; it may damage the paint; if the refrigerant oil contacts the paint, wash it off immediately.
- Charge the system.