Operation CHARM: Car repair manuals for everyone.
Manuals through 2025 now available!

Our trusted friends have launched a new website named LEMON, which has newer manuals. It also contains all the CHARM manuals.

LEMON is the spiritual successor to CHARM, I recommend you try it!

Link: lemon-manuals.la or lemon-manuals.org.ua

(Some people have issue connecting. LEMON is investigating. For now, use Firefox or change your DNS server)

Or, hide this message: temporarily or permanently

Fluid Filter - A/T: Service and Repair

ATF Filter Replacement

NOTE: The ATF filter is not a scheduled maintenance item. Replace the filter only if it is leaking, or contaminated, or when the transmission is being overhauled or replaced with a remanufactured unit.

1. Raise the vehicle on a lift, or apply the parking brake, block the rear wheels, and raise the front of the vehicle. Make sure it is securely supported.
2. Remove the splash shield.
3. Remove the drain plug (A), and drain the transmission fluid (ATF).





4. Reinstall the drain plug with the new sealing. washer (B).
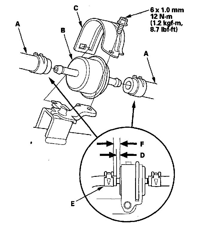
5. Disconnect the ATF cooler hoses (A) from the ATF filter (B).





6. Remove the ATF filter holder (C), and remove the ATF filter.
7. Install the new ATF filter, and secure it with its holder and bolt.
8. Slide the ATF cooler hose on the ATF filter until the hose end is 5-7 mm (0.20-0.28 in.) (D) away from the filter housing, and secure the hose with the clip (E) at 10-12 mm (0.39-0.47 in.) (F) from the filter housing. Install the cooler hose on the other side of the ATF filter in the same manner.
9. Install the splash shield.
10. Refill the transmission with ATF.