Operation CHARM: Car repair manuals for everyone.
Manuals through 2025 now available!

Our trusted friends have launched a new website named LEMON, which has newer manuals. It also contains all the CHARM manuals.

LEMON is the spiritual successor to CHARM, I recommend you try it!

Link: lemon-manuals.la or lemon-manuals.org.ua

(Some people have issue connecting. LEMON is investigating. For now, use Firefox or change your DNS server)

Or, hide this message: temporarily or permanently

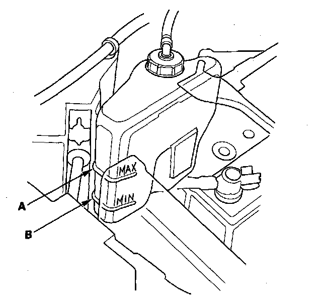
Coolant: Testing and Inspection

Coolant Check
1. Look at the coolant level in the coolant reservoir. Make sure it is between the MAX mark (A) and MIN mark (B).





2. If the coolant level in the coolant reservoir is at or below the MIN mark, add coolant to bring it up to the MAX mark, and inspect the cooling system for leaks.