Operation CHARM: Car repair manuals for everyone.
Manuals through 2025 now available!

Our trusted friends have launched a new website named LEMON, which has newer manuals. It also contains all the CHARM manuals.

LEMON is the spiritual successor to CHARM, I recommend you try it!

Link: lemon-manuals.la or lemon-manuals.org.ua

(Some people have issue connecting. LEMON is investigating. For now, use Firefox or change your DNS server)

Or, hide this message: temporarily or permanently

Differential Reassembly

Differential Reassembly

Differential:





Special Tools Required
^ Holder handle 07JAB-001020A
^ Companion flange holder 07RAB-TB4010B

1. Apply differential fluid to the rubber pinion of the ATF strainer (A), then install the ATF strainer, the magnet (B), the dowel pins (C), and the oil pump pin (D), in the differential carrier assembly.





2. Align the grooves (A) of the rear oil pump with the oil pump pin (B), then install the oil pump body. assembly (C) on the differential carrier assembly.





3. Install the oil pump driveshaft (A) by aligning the projection (B) of the oil pump driveshaft with the groove of the front oil pump in the oil pump body assembly.





4. Install the thrust needle bearing (C).
5. Install the six steel balls (A), base cam (B), thrust needle bearing (C), and the pressure plate (D) on the clutch assembly (E).

NOTE: Align the tabs (F) of the pressure plate with the grooves (G) of the clutch assembly.





6. Make a mark (A) on the outside of the clutch assembly (B) that corresponds to the position of the tab (C) of the pressure plate (D) as shown. Make a mark (E) on the outside of the oil pump assembly (F) that corresponds to the position of the groove (G) in the oil pump driveshaft (H) as shown.





7. Support the pressure plate and clutch assembly by hand so that they do not misalign. With the marks aligned, install the clutch assembly to the oil pump assembly. Install the 30 mm shim (I).
8. Make sure that the clutch assembly and pressure plate are correctly installed. If the clutch assembly can be pushed down as in the figure, proceed to step 9. If not, return to step 5.

NOTE: If incorrectly installed, the clutch assembly may be damaged when excessive force is applied.





9. Remove the dirt and oil from the sealing surfaces. Apply liquid gasket (P/N 08718-0001) to the sealing surface. Make sure you seal the entire circumference of the bolt holes to prevent fluid leakage.

NOTE:
^ You must assemble the housings within 5 minutes after applying the liquid gasket. If you do not, the sealing surface must be cleaned, and the liquid gasket reapplied.
^ Allow it to cure at least 30 minutes after assembly before filling the differential with fluid.





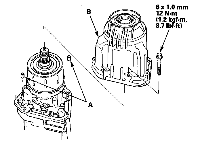
10. Install the 6 x 1.0 mm dowel pins (A) and the torque control differential case (B). Torque the eight mounting bolts in a crisscross pattern in several steps.





11. Install the companion flange (A), the O-ring (B), the back-up ring (C), the disc spring washer (D), and the locknut (E).

NOTE: Apply differential fluid to the O-ring.





12. Install the companion flange holder (A) and holder handle (B) to the companion flange, then tighten the new locknut to the specified torque.





13. Stake the locknut tab (A) into the groove in the clutch guide.





14. Install the drain plug (A) and the oil filler plug (B) with new washers (C).