Operation CHARM: Car repair manuals for everyone.
Manuals through 2025 now available!

Our trusted friends have launched a new website named LEMON, which has newer manuals. It also contains all the CHARM manuals.

LEMON is the spiritual successor to CHARM, I recommend you try it!

Link: lemon-manuals.la or lemon-manuals.org.ua

(Some people have issue connecting. LEMON is investigating. For now, use Firefox or change your DNS server)

Or, hide this message: temporarily or permanently

Differential Installation

Differential Installation
1. Install rear differential mount assembly A to the rear differential assembly (B).





2. Jack up the rear differential.
3. Install the new set rings (A) onto the driveshafts, then insert the driveshafts into the rear differential.





4. Lift the rear differential up into position, then push on both driveshafts to lock the set rings into place. Connect the breather tube (B).
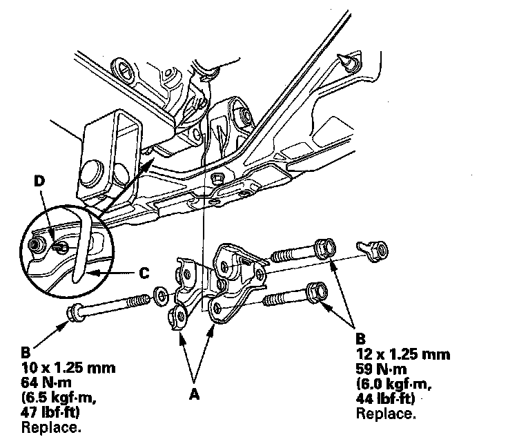
5. Align the tab (A) of the rubber mount (B) with the hole (C) of the plates (D), then install the plates and torque the rear differential mount assembly mounting bolts (E).

NOTE: The rubber heat insulator (F) is installed only in the right side.





6. Install the breather tubes (G) to the clips (H).
7. Install the right and left rear differential mount brackets B (A), then torque the bolts (B).





8. Install the breather tube (C) to the clip (D).
9. Install the No. 2 propeller shaft (A) onto the rear differential (B) by aligning the reference marks (C) made during removal. Make sure you use new mounting bolts (D).





10. Fill the rear differential with the differential fluid to the proper level.