Operation CHARM: Car repair manuals for everyone.
Manuals through 2025 now available!

Our trusted friends have launched a new website named LEMON, which has newer manuals. It also contains all the CHARM manuals.

LEMON is the spiritual successor to CHARM, I recommend you try it!

Link: lemon-manuals.la or lemon-manuals.org.ua

(Some people have issue connecting. LEMON is investigating. For now, use Firefox or change your DNS server)

Or, hide this message: temporarily or permanently

Compressor HVAC: Service and Repair

A/C Compressor Replacement

NOTE:
- Do not install an A/C compressor into a system unless you are completely sure that the system is free of contamination. Installing the A/C compressor into a contaminated system can result in premature A/C compressor failure.
- Put on gloves to protect your hands from electrical shock.
- IMA components are located in this area. The IMA is a high-voltage system. You must be familiar with the IMA system before working on or around it. Make sure you have read the IMA service precaution before doing repairs or service.

1. If the A/C compressor is marginally operable, run the engine at idle speed, and let the air conditioning work for few minutes, then shut the engine off.
2. Recover the refrigerant with a recovery/recycling/charging station.
3. Make sure you have the anti-theft code for the audio or navigation system, then write down the audio presets.
4. Remove the bulkhead.
5. Remove the drive belt.
6. Remove the air cleaner housing assembly.
7. Remove the battery and battery box.




8. Remove the bolt and the shield connector cover (A). Slide the retainer (B), then disconnect the connector (C). Remove the wire harness clips (D).




9. Remove the dipstick (A). Disconnect the connectors (B), then remove the wire harness clips (C).




10. Remove the bolt and the holder (A).




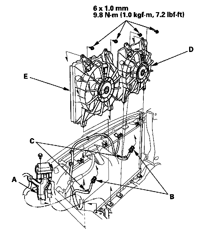
11. Remove the bolt and the auxiliary under-hood fuse/relay box bracket (A). Disconnect the connectors (B), then remove the wire harness clips (C). Remove the upper mounting bolts, the A/C condenser fan shroud (D), and the radiator fan shroud (E). Be careful not to damage the radiator fins when removing the A/C condenser fan shroud and radiator fan shroud.




12. Disconnect the A/C compressor clutch connector (A). Remove the bolt and the nut, then disconnect the suction hose (B) and discharge hose (C) from the A/C compressor. Plug or cap the lines immediately after disconnecting them to avoid moisture and dust contamination.




13. Remove the mounting bolts and the A/C compressor (A). Be careful not to damage the radiator fins when removing the A/C compressor.

NOTE: Install the bolts loosely, then tighten the mounting bolts in the (B), (C), and (D) order when installing.




14. Pull out on the power cable (A), then lift up the A/C compressor (B).
15. Install the A/C compressor in the reverse order of removal, and note these items:
- Inspect the A/C lines for any signs of contamination.
- If you're installing a new A/C compressor, you must calculate the amount of refrigerant oil to be removed from it. A new A/C compressor comes with a full charge of oil.
- Using the wrong refrigerant oil can be a safety hazard.
- Replace the O-rings with new ones at each fitting, and apply a thin coat of refrigerant oil before installing them. Be sure to use the correct O-rings for HFC-134a (R-134a) to avoid leakage.
- To avoid contamination, do not return the oil to the container once dispensed, and never mix it with other refrigerant oils.
- Immediately after using the oil, dispose of any remaining oil in the container, due to moisture absorption short shelf life.
- Do not spill the refrigerant oil on the vehicle; it may damage the paint; if the refrigerant oil contacts the paint, wash it off immediately.
- Be careful not to damage the radiator fins when installing the A/C compressor, the alternator or the A/C condenser fan shroud.
- Charge the system.
- Enter the anti-theft code for the audio or navigation system, then enter the audio presets.
- Set the clock.
- If the IMA battery level gauge (BAT) displays no segments, start the engine, and hold it between 3,500 rpm and 4,000 rpm without load (in Park or neutral) until the BAT displays at least three segments.