Operation CHARM: Car repair manuals for everyone.
Manuals through 2025 now available!

Our trusted friends have launched a new website named LEMON, which has newer manuals. It also contains all the CHARM manuals.

LEMON is the spiritual successor to CHARM, I recommend you try it!

Link: lemon-manuals.la or lemon-manuals.org.ua

(Some people have issue connecting. LEMON is investigating. For now, use Firefox or change your DNS server)

Or, hide this message: temporarily or permanently

Fluid Line/Hose: Service and Repair

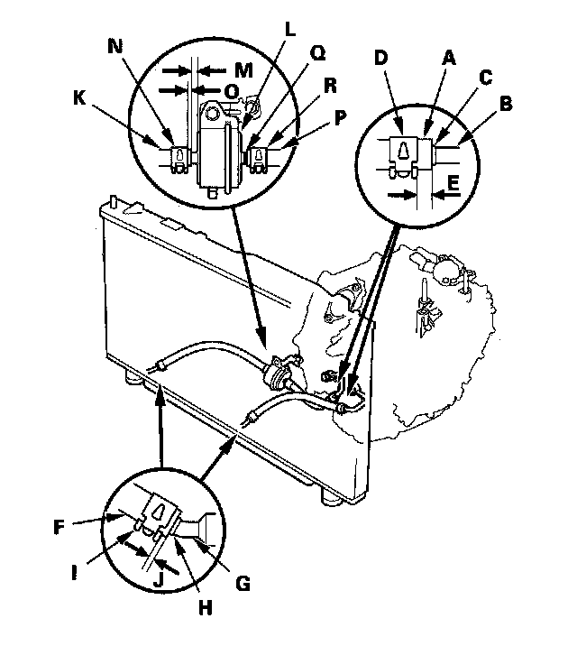
ATF Cooler Hose Installation
1. Slide the ATF cooler hoses (A) over the transmission ATF cooler lines (B) until the hose ends contact the bulge (C), and secure the hoses with the clip (D) at 6 - 8 mm (0.2 - 0.3 in.) (E) from the hose end.





2. Slide the ATF cooler hoses (F) over the ATF cooler lines (G) until the hose ends contact the bulge (H), and secure the hoses with the clip (1) at 2 - 4 mm (0.1 - 0.2 in.) (J) from the hose end.
3. Slide the ATF cooler hose (ATF cooler side) (K) on the ATF filter (L) until the hose end is 5 - 7 mm (0.2 - 0.3 in.) (M) away from the filter housing, and secure the hose with the clip (N) at 2 - 4 mm (0.1 - 0.2 in.) (O) from the hose end.
4. Slide the ATF cooler hose (transmission side) (P) on the ATF filter until the hose end contacts the mark (Q), and secure the hose with the clip (R) at 2 - 4 mm (0.1 - 0.2 in.) from the hose end.