Operation CHARM: Car repair manuals for everyone.
Manuals through 2025 now available!

Our trusted friends have launched a new website named LEMON, which has newer manuals. It also contains all the CHARM manuals.

LEMON is the spiritual successor to CHARM, I recommend you try it!

Link: lemon-manuals.la or lemon-manuals.org.ua

(Some people have issue connecting. LEMON is investigating. For now, use Firefox or change your DNS server)

Or, hide this message: temporarily or permanently

Engine: Service and Repair

Engine Removal

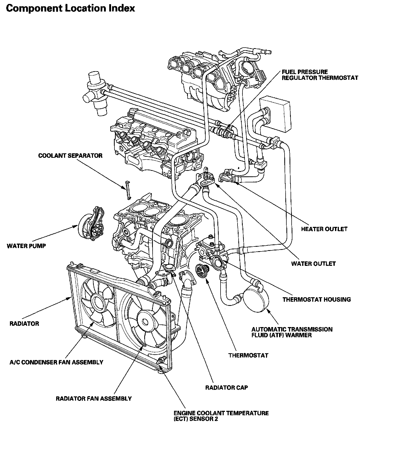
Cooling Component Location Index:




Special Tools Required
^ Engine hanger plate 07AAK-SNAA120
^ 1.8 support eyelet 07AAK-SNAA400
^ 1.8 support bolt 07AAK-SNAA500
^ Front subframe adapter VSB02C000016*
^ 2006 Civic engine hanger VSB02C000025*
^ Engine support hanger, A and Reds AAR-T-12566*
* Available through Honda Tool and Equipment Program, 888-424-6857

NOTE:
^ Use fender covers to avoid damaging painted surfaces.
^ To avoid damage, unplug the wiring connectors carefully while holding the connector portion.
^ Mark all wiring and hoses to avoid misconnection. Also, be sure that they do not contact other wiring, hoses, or interfere with other parts.

1. Close the manual shut-off valve.





2. To reduce pressure in the fuel lines, start the engine, and run it until it stalls.
3. Make sure you have anti-theft codes for the audio system and navigation system (if equipped), then write down the audio presets.
4. Secure the hood in the wide open position (Position the support rod in the lower hole).





5. Disconnect the negative cable from the battery, then the positive cable.
6. Remove the battery.
7. Remove the air cleaner housing assembly.
8. Remove the cowl cover and under-cowl panel.
9. Remove the fuel feed hose.





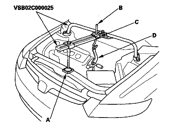
10. Remove the vacuum hose (A), brake booster vacuum hose (B), and power steering (P/S) hose clamp (C).





11. Remove the battery cables (A) from the under-hood fuse/relay box.





12. Remove the harness clamps (B).
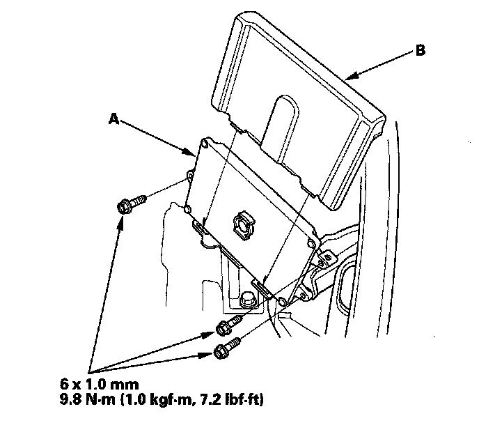
13. Remove the powertrain control module (PCM) cover (A), then remove the three bolts (B) securing the PCM.





14. Disconnect the PCM connectors (A) and the engine wire harness connectors (B).





15. Remove the harness clamps (C).
16. Remove the drive belt.
17. Remove the radiator cap.
18. Raise the vehicle on the lift to full height.
19. Remove the front wheels.
20. Remove the splash shield.





21. Loosen the drain plug in the radiator, and drain the engine coolant.
22. Drain the engine oil.
23. Drain the transmission fluid (ATF).
24. Remove exhaust pipe A.





25. Remove the shift cable.
26. Separate the stabilizer links.
27. Separate the knuckles from the lower arms.
28. Remove the driveshafts. Coat all precision-finished surfaces with clean engine oil. Tie plastic bags over the driveshaft ends.
29. Remove the power steering (P/S) pump without disconnecting the P/S hoses from the pump.





30. Unclamp the power steering fluid line clamp (A) on the front subframe, and remove the P/S line mounting bolts (B).





31. Remove the steering gearbox mounting bolt (A), then remove the steering gearbox stiffener (B).





32. Remove the steering gearbox bracket (C).
33. Remove the steering gearbox mounting bolt (A), then remove the steering gearbox stiffener (B).





34. Lower the vehicle on the lift.
35. Remove the radiator.
36. Disconnect the A/C compressor clutch connector (A), then remove the harness clamp (B).





37. Remove the A/C compressor (C) without disconnecting the A/C hoses.
38. Remove the heater hoses.





39. Remove the air cleaner housing mounting bracket (A), and install 1.8 support eyelet (B) behind the breather pipe (C) and down to the threaded hole (D) on the cylinder head.





40. Attach the 1.8 support eyelet (A) to the cylinder head with the 1.8 support bolt (B). Tighten the bolt by hand.





41. Install the bulkhead, and tighten the mounting bolts.
42. Install the front leg assembly (A), hook (B), and wing nut (C) from an A and Reds engine support hanger (AAR-T-12566) onto the 2006 Civic engine hanger. Carefully position the 2006 Civic engine hanger on the vehicle, and attach the hook to the slotted hole in the 1.8 support eyelet (D). Tighten the wing nut by hand to lift and support the engine/transmission assembly.

NOTE: Use care when working around the windshield.





43. Raise the vehicle on the lift to full height.
44. Remove the lower torque rod.





45. Note the reference marks (A) on both sides of the subframe that line up with the body (B).





46. Loosen the mid-stiffener mounting bolts (A) on both sides.





47. Attach the front subframe adapter (A) to the subframe and hang the belt of the front subframe adapter over the front of the subframe, then secure the belt with its stop.





48. Raise the jack and line up the slots in the arms with the bolt holes on the corner of the jack base, then attach them with bolts securely.
49. Remove the subframe.





50. Lower the vehicle on the lift.
51. Remove the ground cable (A), then install the engine hanger plate with a 10 x 1.25 x 20 mm bolt (B).





52. Attach a chain hoist (A) to the engine hanger plate (B) and transmission hook (C). Lift up on the engine/transmission assembly until it's securely supported by the chain hoist, and remove the engine support hanger from the engine and vehicle.





53. Remove the side engine mount bracket mounting bolt and nut.





54. Remove the transmission mounting bolt and nuts (A).





55. Remove the ground cable (B).
56. Check that the engine/transmission is completely free of vacuum hoses, fuel and coolant hoses, and electrical wiring.
57. Slowly lower the engine/transmission assembly about 150 mm (6 in.). Check once again that all hoses and electrical wiring are disconnected, and free from the engine/transmission, then lower it all the way.
58. Disconnect the chain hoist from the engine/transmission assembly.
59. Raise the vehicle all the way, and remove the engine/transmission assembly from under the vehicle.

Engine Installation

Special Tools Required
^ Engine hanger plate 07AAK-SNAA120
^ 1.8 support eyelet 07AAK-SNAA400
^ 1.8 support bolt 07AAK-SNAA500
^ Front subframe adapter VSB02C000016 *
^ 2006 Civic engine hanger VSB02C000025 *
^ Engine support hanger, A and Reds AAR-T-12566 *
* : Available through Honda Tool and Equipment Program, 888-424-6857

1. Install the accessory brackets and tighten their bolts to the specified torques.





2. Position the engine/transmission assembly under the vehicle. Be sure that they are properly aligned. Carefully lower the vehicle until the engine and transmission are properly positioned in the engine compartment. Make sure the vehicle is not resting on any part of the engine or transmission. Lift and support the engine with a chain hoist (A) and carefully raise the engine/transmission assembly into place.

NOTE: Reinstall the mounting bolts/support nuts in the sequence given in the following steps. Failure to follow this sequence may cause excessive noise and vibration, and reduce engine mount life.





3. Install 1.8 support eyelet (A) behind the breather pipe (B) and down to the thread hole (C) on the cylinder head.





4. Attach the 1.8 support eyelet (A) to the cylinder head with the 1.8 support bolt (B). Tighten the bolt by hand.





5. Install the front leg assembly (A), hook (B), and wing nut (C) from an A and Reds engine support hanger (AAR-T-12566) onto the 2006 Civic engine hanger. Carefully position the 2006 Civic engine hanger on the vehicle, and attach the hook to the slotted hole in the support eyelet (D). Tighten the wing nut by hand to lift and support the engine/transmission assembly.

NOTE: Use care when working around the windshield.





6. Loosen the upper torque rod mounting bolt (A).





7. Tighten the new side engine mount bracket mounting bolt and nut.





8. Tighten the new transmission mounting bolt and nuts (A).





9. Install the ground cable (B).
10. Remove the chain hoist, then raise the vehicle on the lift to full height.
11. Using the front subframe adapter (A) and a jack, raise the subframe up to body.





12. Loosely install the new subframe mounting bolts.





13. Align the front subframe reference marks (A) to the body (B), as noted during removal. Tighten the subframe mounting bolts to the specified torque.





14. Remove the jack and front subframe adapter.
15. Tighten the new mid-stiffener mounting bolts on both sides.





16. Install the lower torque rod, then tighten the new lower torque rod mounting bolts in the numbered sequence shown.





17. Lower the vehicle on the lift, and remove the engine hanger, support eyelet, and bolt.
18. Tighten the upper torque rod mounting bolt.





19. Remove the engine hanger plate and bolt (A), then install the ground cable (B).





20. Raise the vehicle on the lift to full height.
21. Install the steering gearbox stiffener (A), then tighten the steering gearbox mounting bolt and stiffener bolt.





22. Position the "FR" mark to the front of the vehicle, then install the steering gearbox bracket (B).
23. Install the steering gearbox stiffener (A), then tighten the steering gearbox mounting bolt and stiffener bolt.





24. Install the power steering (P/S) line on the clamp (A), then install the P/S line brackets (B) on the subframe.





25. Install the P/S pump.





26. Install the shift cable.
27. Install a new set ring on the end of each driveshaft, then install the driveshafts. Make sure each ring "clicks" into place in the differential and intermediate shaft.
28. Connect the lower arms to the knuckles.
29. Connect the stabilizer links.
30. Install exhaust pipe A. Use new gaskets (B) and new self-locking nuts (C).





31. Install the splash shield.





32. Lower the vehicle on the lift.
33. Install the heater hoses.





34. Install the A/C compressor (A).





35. Connect the A/C compressor clutch connector (B), then install the harness clamp (C).
36. Install the drive belt.
37. Remove the bulkhead, then install the radiator.
38. Connect the powertrain control module (PCM) connectors (A) and engine wire harness connectors (B).





39. Install the harness clamps (C).
40. Install the PCM (A), then install the PCM cover (B).





41. Install the battery cables (A) to the under-hood fuse/relay box.





42. Install the harness clamps (B).
43. Install the vacuum hose (A), the brake booster vacuum hose (B), and the power steering (P/S) hose clamp (C).





44. Install the fuel feed hose (A). Use new O-ring (B).





45. Install the under-cowl panel and cowl cover.
46. Install the air cleaner housing mounting bracket (A) on the cylinder head.





47. Install the air cleaner housing.
48. Install the front wheels.
49. Install the battery. Clean the battery posts and cable terminals, then assemble them, and apply grease to prevent corrosion.
50. Move the shift lever to each gear, and verify that the A/T gear position indicator follows the transmission range switch.
51. Do the leak Inspection.
52. Refill the engine with engine oil.
53. Refill the transmission with fluid.
54. Refill the radiator with engine coolant, and bleed air from the cooling system with the heater valve open.
55. Do the PCM reset procedure.
56. Do the crankshaft position (CKP) pattern clear/CKP pattern learn procedure.
57. Inspect the idle speed.
58. Inspect the ignition timing.
59. Check the wheel alignment.
60. Enter the anti-theft codes for the audio system and navigation system (if equipped), then enter the audio presets.
61. Do the power window control unit reset procedure.
62. Set the clock.