Operation CHARM: Car repair manuals for everyone.
Manuals through 2025 now available!

Our trusted friends have launched a new website named LEMON, which has newer manuals. It also contains all the CHARM manuals.

LEMON is the spiritual successor to CHARM, I recommend you try it!

Link: lemon-manuals.la or lemon-manuals.org.ua

(Some people have issue connecting. LEMON is investigating. For now, use Firefox or change your DNS server)

Or, hide this message: temporarily or permanently

Cam Chain Removal

Cam Chain Removal

NOTE: Keep the cam chain away from magnetic fields.

1. Remove the front wheels.
2. Remove the splash shield.
3. Remove the drive belt auto-tensioner.
4. Remove the cylinder head cover.
5. Set the No. 1 piston at top dead center (TDC). The "UP" mark (A) on the camshaft sprocket should be at the top, and the TDC grooves (B) on the camshaft sprocket should line up with the top edge of the head.





6. Remove the positive crankcase ventilation (PCV) hose.





7. Remove the crankshaft pulley.
8. Support the engine with a jack and a wood block under the oil pan.
9. Remove the bolt (A) securing the A/C line, then remove the upper torque rod (B).





10. Remove the ground cable (A), then remove the side engine mount bracket (B).





11. Remove the oil pump.





12. Measure the tensioner rod length between the tensioner body and bottom of the flat surface section on the tensioner rod. If the length is more than the service limit, replace the cam chain.





13. Loosely install the crankshaft pulley.
14. Turn the crankshaft counterclockwise to compress the auto-tensioner.





15. Align the holes on the lock (A) and the auto-tensioner (B), then insert a 1.0 mm (0.04 in.) diameter pin (C) into the holes. Turn the crankshaft clockwise to secure the pin.





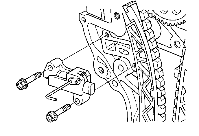
16. Remove the auto-tensioner.





17. Remove the crankshaft pulley.
18. Remove the cam chain guide (A) and cam chain tensioner arm (B).





19. Remove the cam chain.