Operation CHARM: Car repair manuals for everyone.
Manuals through 2025 now available!

Our trusted friends have launched a new website named LEMON, which has newer manuals. It also contains all the CHARM manuals.

LEMON is the spiritual successor to CHARM, I recommend you try it!

Link: lemon-manuals.la or lemon-manuals.org.ua

(Some people have issue connecting. LEMON is investigating. For now, use Firefox or change your DNS server)

Or, hide this message: temporarily or permanently

Change Lever Assembly Disassembly/Reassembly

Change Lever Assembly Disassembly/Reassembly

Change Lever:





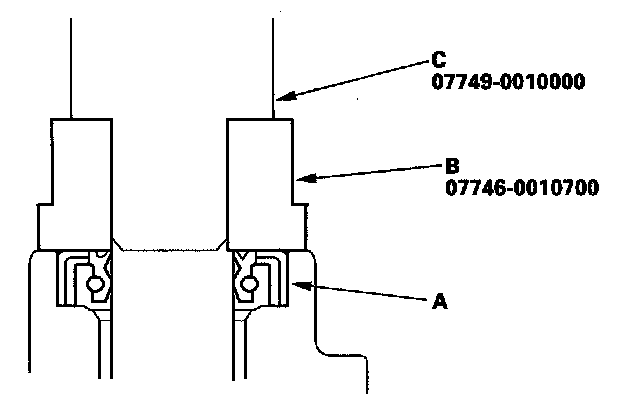
Special Tools Required
^ Attachment, 24 x 26 mm 07746-0010700
^ Driver 07749-0010000

1. Remove the breather cap (A), detent bolt (B), washer (C), spring (D), and steel ball (E). Remove the detent bolt (F).





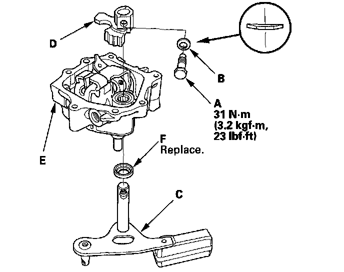
2. Remove the special bolt (A) and spring washer (B).





3. Remove the shift lever (C) and shift arm (D) from the shift arm cover (E).
4. Remove the oil seal (F).
5. Remove the spring pin (A) from the select lever (B).

NOTE: Install the spring pin into the interlock with the groove of the spring pin at the angle shown.





6. Remove the select lever from the shift arm cover (C), then remove the shift piece (D) and the interlock (E).
7. Remove the oil seal (F).
8. Remove the reverse lock cam (A).





9. Install in the reverse order of removal.

NOTE: Install the oil seal (A) using the attachment, 24 x 26 mm (B) and driver (C).