Operation CHARM: Car repair manuals for everyone.
Manuals through 2025 now available!

Our trusted friends have launched a new website named LEMON, which has newer manuals. It also contains all the CHARM manuals.

LEMON is the spiritual successor to CHARM, I recommend you try it!

Link: lemon-manuals.la or lemon-manuals.org.ua

(Some people have issue connecting. LEMON is investigating. For now, use Firefox or change your DNS server)

Or, hide this message: temporarily or permanently

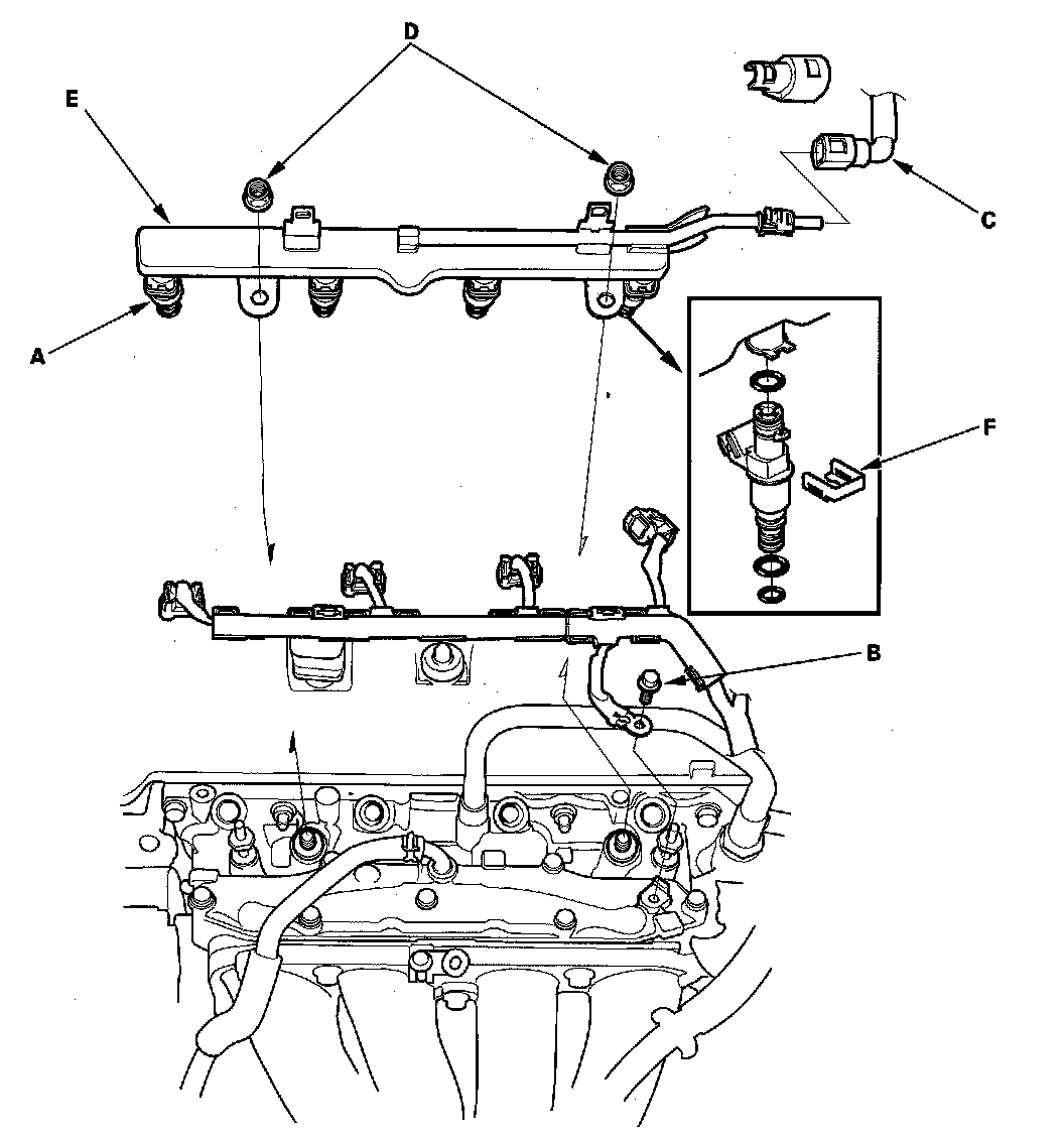
Fuel Injector: Service and Repair

Injector Replacement

1. Relieve fuel pressure.
2. Remove the intake manifold cover.




3. Disconnect the connectors from the injectors (A).
4. Remove the ground cable bolt (G101) (B).
5. Disconnect the quick-connect fittings (C).
6. Remove the fuel rail mounting nuts (D) from the fuel rail (E).
7. Remove the injector clip (F) from the injector.
8. Remove the injector from the fuel rail.




9. Coat the new O-rings (A) with clean engine oil, and insert the injectors (B) into the fuel rail (C).
10. Install the injector clip (D).
11. Coat the injector O-rings (E) with clean engine oil.
12. Install the injectors in the injector base (F).
13. Install the fuel rail mounting nuts (G) and the ground cable bolt (G101).
14. Connect the connectors on the injectors.
15. Connect the quick-connect fitting.
16. Turn the ignition switch ON (II), but do not operate the starter. After the fuel pump runs for about 2 seconds, the fuel pressure in the fuel line rises. Repeat this two or three times, then check for fuel leakage.
17. Install the intake manifold cover.