Operation CHARM: Car repair manuals for everyone.
Manuals through 2025 now available!

Our trusted friends have launched a new website named LEMON, which has newer manuals. It also contains all the CHARM manuals.

LEMON is the spiritual successor to CHARM, I recommend you try it!

Link: lemon-manuals.la or lemon-manuals.org.ua

(Some people have issue connecting. LEMON is investigating. For now, use Firefox or change your DNS server)

Or, hide this message: temporarily or permanently

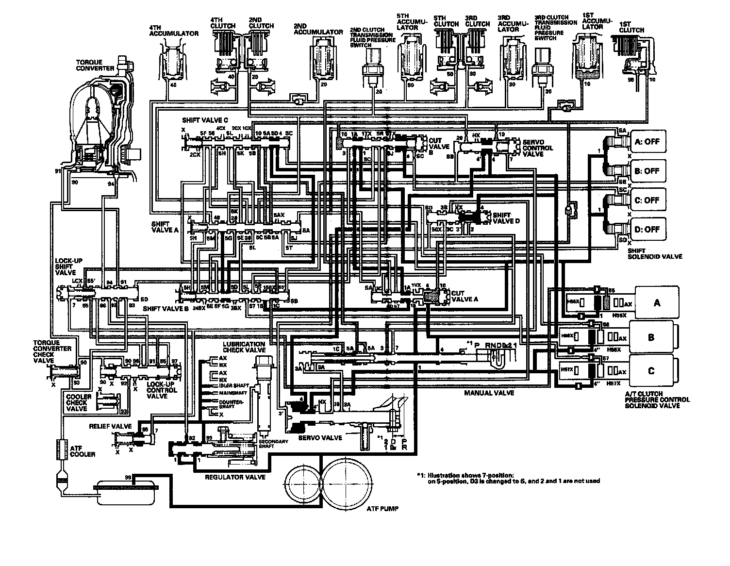
Hydraulic Flow

Hydraulic Flow

Distribution of Hydraulic Pressure
As the engine turns, the ATF pump starts to operate. Automatic transmission fluid (ATF) is drawn through the ATF strainer (filter) and discharged into the hydraulic circuit. Then, ATF flowing from the ATF pump becomes line pressure that is regulated by the regulator valve. Torque converter pressure from the regulator valve enters the torque converter through the lock-up shift valve, and it is discharged from the torque converter. The torque converter check valve prevents torque converter pressure from rising.
The PCM controls the shift solenoid valves ON and OFF. The shift solenoid valve blocks line pressure from the ATF pump via the manual valve when the shift solenoid valve is OFF. When the shift solenoid valve is turned ON by the PCM, line pressure changes to shift solenoid valve pressure at the shift solenoid valve, then the shift solenoid valve pressure flows to the shift valve. Applying shift solenoid pressure to the shift valve moves the position of the shift valve, and switches the port of the hydraulic circuit. The PCM also controls A/T clutch pressure control solenoid valves A, B, and C. The A/T clutch pressure control solenoid valves regulate hydraulic pressure, and apply the pressure to the clutches to engage smoothly. The clutches receive optimum clutch pressure which is regulated by the A/T clutch pressure control solenoid valves for comfortable driving and shifting under all conditions.





N Position
The PCM controls the shift solenoid valves. The conditions of the shift solenoid valves and the positions of the shift valves are as follows:
^ Shift solenoid valve A is turned OFF, shift valve A stays on the right side, and cut valve A stays on the left side.
^ Shift solenoid valve B is turned OFF, and shift valve B stays on the right side.
^ Shift solenoid valve C is turned OFF, and shift valve C stays on the right side.
Line pressure (1) passes through the manual valve and stops at cut valve B. Line pressure (1) also flows to the shift solenoid valves and A/T clutch pressure control solenoid valve A. Under this condition, hydraulic pressure is not applied to the clutches.

NOTE: When used, "left" or "right" indicates direction on the hydraulic circuit.





D Position: 1st gear shifting from the N position
When shifting to the D position from the N position, the condition of the shift solenoid valves and the shift valves remain the same as in the N position. The PCM actuates A/T clutch pressure control solenoid valve A to regulate the line pressure (1) that is allowed to flow through the valve and becomes A/T clutch pressure control solenoid valve A pressure (55). The A/T clutch pressure control solenoid valve A pressure flows to the lock-up shift valve, shift valve B, the manual valve, and shift valve A, and becomes 1st clutch pressure (10) at shift valve C. 1st clutch pressure (10) flows to the 1st clutch. The 1st clutch is engaged by A/T clutch pressure control solenoid valve A pressure mode when shifting to the D position from the N position.

NOTE: When used, "left" or "right" indicates direction on the hydraulic circuit.





D Position: Driving in 1st gear
The PCM turns shift solenoid valve B ON, and shift solenoid valves A and C remain OFF. Shift solenoid valve B pressure (SB) is applied to the right end of shift valve B. Shift valve B is moved to the left side to uncover the line pressure port leading to the 1st clutch, and to cover the A/T clutch pressure control solenoid valve A pressure port. Line pressure (1 B) passed through shift valve B flows to the manual valve, shift valve A, and shift valve C, and becomes 1st clutch pressure (10). 1st clutch pressure is applied to the 1st clutch, and the 1st clutch is engaged by the line pressure mode.

NOTE: When used, "left" or "right" indicates direction on the hydraulic circuit.





D Position: Shifting between 1st gear and 2nd gear
As the speed of the vehicle reaches the programmed value, the PCM turns shift solenoid valve A ON, shift solenoid valve B remains ON, and shift solenoid valve C remains OFF. Shift solenoid valve A pressure (SA) is applied to the right end of shift valve A and to the left side of cut valve A. Cut valve A is moved to the right side to release 1st clutch pressure in line pressure mode, and shift valve A is moved to the left side to switch the line pressure (5A) port to the A/T clutch pressure control solenoid valve C pressure (5C) port leading to the 1st clutch. Also, shift valve A uncovers the 2nd clutch pressure (20) port leading A/T clutch pressure control solenoid valve B pressure (56) to the 2nd clutch. The 1st clutch and 2nd clutch are engaged by the A/T clutch pressure control solenoid valve pressure mode.

NOTE: When used, "left" or "right" indicates direction on the hydraulic circuit.





D Position: Driving in 2nd gear
The PCM turns shift solenoid valve B OFF, shift solenoid valve A remains ON, and shift solenoid valve C remains OFF. Shift solenoid valve B is turned OFF, and shift solenoid valve B pressure (SB) in the right end of shift valve B and in the left end of the servo control valve is released. Cut valve B and the servo control valve are kept in the right side by line pressure (4) even though hydraulic pressure in the left end is released. Shift valve B is moved to the right side to switch the A/T clutch pressure control solenoid valve B pressure (5F) port to the line pressure (5D) port leading to the 2nd clutch. The 2nd clutch pressure (20) is applied to the 2nd clutch, and the 2nd clutch is engaged by the line pressure mode.

NOTE: When used, "left" or "right" indicates direction on the hydraulic circuit.





D Position: Shifting between 2nd gear and 3rd gear
As the speed of the vehicle reaches the programmed value, the PCM turns shift solenoid valve A OFF. Shift solenoid valves B and C remain OFF. Shift solenoid valve A is turned OFF, and shift solenoid valve A pressure (SA) in the right end of shift valve A and in the left end of cut valve A is released. Cut valve A is kept in the right side by line pressure (4) even though shift solenoid valve A pressure (SA) is released. Shift valve A is moved to the right side to the switch line pressure (5G) port to the A/T clutch pressure control solenoid valve B pressure (5E) port leading to the 2nd clutch. Also, shift valve A uncovers the 3rd clutch pressure (30) port leading the A/T clutch pressure control solenoid valve C pressure (5L) to the 3rd clutch. The 2nd clutch and 3rd clutch are engaged by the A/T clutch pressure control solenoid valve pressure mode.

NOTE: When used, "left" or "right" indicates direction on the hydraulic circuit.





D Position: Driving in 3rd gear
The PCM turns shift solenoid valve C ON, and shift solenoid valves A and B remain OFF. Shift solenoid valve C pressure (SC) is applied to the right end of shift valve C and cut valve B. Shift valve C is moved to the left side to release 2nd clutch pressure. The 3rd clutch keeps engaging with the A/T clutch pressure control solenoid valve C pressure mode.

NOTE: When used, "left" or "right" indicates direction on the hydraulic circuit.





D Position: Shifting between 3rd gear and 4th gear
As the speed of the vehicle reaches the programmed value, the PCM turns shift solenoid valve A ON. Shift solenoid valve B remains OFF, and shift solenoid valve C remains ON. Shift solenoid valve A is turned ON, and shift solenoid valve A pressure (SA) is applied to the right end of shift valve A and to the left end of cut valve A. Shift valve A is moved to the left side to switch the line pressure (5L) port to the A/T clutch pressure control solenoid valve C pressure (5K) port leading to the 3rd clutch. Also, shift valve A uncovers the 4th clutch pressure (40) port leading the A/T clutch pressure control solenoid valve B pressure (5H) to the 4th clutch. The 3rd clutch and 4th clutch are engaged by the A/T clutch pressure control solenoid valve pressure mode.

NOTE: When used, "left" or "right" indicates direction on the hydraulic circuit.





D Position: Driving in 4th gear
The PCM turns shift solenoid valve B ON, and shift solenoid valves A and B remain ON. Shift solenoid valve B pressure (SB) is applied to the right end of shift valve B and the left end of the servo control valve. Shift valve B is moved to the left side to release 3rd clutch pressure. The 4th clutch keeps engaging with the A/T clutch pressure control solenoid valve B pressure mode.

NOTE: When used, "left" or "right" indicates direction on the hydraulic circuit.





D Position: Shifting between 4th gear and 5th gear
As the speed of the vehicle reaches the programmed value, the PCM turns shift solenoid valve A OFF. Shift solenoid valves B and C remain ON. Shift solenoid valve A is turned OFF, and shift solenoid valve A pressure (SA) in the right end of shift valve A is released. Cut valve A is kept in the right side by line pressure (4) even though shift solenoid valve A pressure (SA) is released. Shift valve A is moved to the right side to uncover the A/T clutch pressure control solenoid valve C pressure (5T) (5J) port leading to the 4th clutches. The 4th and 5th clutches are engaged by the A/T clutch pressure control solenoid valve pressure mode.

NOTE: When used, "left" or "right" indicates direction on the hydraulic circuit.





D Position: Driving in 5th gear
The PCM turns shift solenoid valve C OFF, shift solenoid valve A remains OFF, and shift solenoid valve B remains ON. Shift solenoid valve C is turned OFF, and shift solenoid valve C pressure (SC) in the right end of shift valve C is released. Shift valve C is moved to the right side to release 4th clutch pressure. The 5th clutch keeps engaging with the A/T clutch pressure control solenoid valve C pressure mode.

NOTE: When used, "left" or "right" indicates direction on the hydraulic circuit.





2 Position (7-position Automatic Transmission)
The PCM controls the shift solenoid valves and the A/T clutch pressure control solenoid valves. The conditions of the shift solenoid valves and the position of the shift valves are as follows:
^ Shift solenoid valve A is turned ON, and shift valve A is moved to the left side.
^ Shift solenoid valve B is turned OFF, and shift valve B is in the right side.
^ Shift solenoid valve C is turned OFF, and shift valve C is in the left side.
Line pressure (4) from the manual valve becomes 2nd clutch pressure (20) at shift valve A, via shift valves C and B. 2nd clutch pressure (20) is applied to the 2nd clutch, and the 2nd clutch is engaged.

NOTE: When used, "left" or "right" indicates direction on the hydraulic circuit.





1 Position (7-position Automatic Transmission)
The PCM controls the shift solenoid valves and the A/T clutch pressure control solenoid valves. The conditions of the shift solenoid valves and the position of the shift valves are as follows:
^ Shift solenoid valve A is turned OFF, and shift valve A is in the right side.
^ Shift solenoid valve B is turned ON, and shift valve B is moved to the left side.
^ Shift solenoid valve C is turned OFF, and shift valve C is in the right side.
Line pressure (1) from the manual valve flows to cut valve B, cut valve A, shift valve B, and becomes line pressure (5A) at the manual valve. Line pressure (5A) passes through shift valve A, flows to shift valve C, and becomes 1st clutch pressure (10). 1st clutch pressure (10) is applied to the 1st clutch, and the 1st clutch is engaged.

NOTE: When used, "left" or "right" indicates direction on the hydraulic circuit.





R Position: Shifting to the R position from the P or N position
The manual valve is moved into the R position, line pressure (1) becomes line pressure (1), (3), and (7) at the manual valve. The PCM turns shift solenoid valve D ON, and shift solenoid valves A, B, and C OFF. Shift solenoid valve D pressure (SD) is applied to the left end of shift valve D, and shift valve D is moved to the right side to uncover the line pressure (3) port leading to the servo valve. Line pressure (3') from shift valve D flows to the servo valve, and pushes the servo valve to the reverse position. The PCM controls A/T clutch pressure control solenoid valve A to regulate A/T clutch pressure control solenoid valve A pressure (55), and A/T clutch pressure control solenoid valve A pressure (55) flows to the lock-up shift valve, shift valve B, the manual valve, the servo valve, shift valve D, and cut valve A. A/T clutch pressure control solenoid valve A pressure (3C) becomes 5th clutch pressure (50) at cut valve A. 5th clutch pressure (50) is applied to the 5th clutch, and the 5th clutch is engaged with the A/T clutch pressure control solenoid valve A pressure mode.

NOTE: When used, "left" or "right" indicates direction on the hydraulic circuit.





R Position: Driving in reverse gear
As the speed of the vehicle reaches the programmed value, the PCM turns shift solenoid valves B and C ON. Shift solenoid valve A remains OFF, and shift solenoid valve D remains ON. Shift solenoid valve B is turned ON, and shift solenoid valve B pressure (SB) is applied to the right end of shift valve B. Shift valve B is moved to the right side to switch the A/T clutch pressure control solenoid valve A pressure (55') port to the line pressure (1B) port leading to the 5th clutch. The 5th clutch is engaged with the line pressure mode.

Reverse Inhibitor Control
When the R position is selected while the vehicle is moving forward at a speed over 6 mph (10 km/h), the PCM turns shift solenoid valves A and C ON, and shift solenoid valves B and D OFF. Shift solenoid valve D is kept OFF, and shift valve D is kept in the left side to cover the line pressure (3) port leading to the servo valve. The servo valve is kept in the forward position. Shift solenoid valve A is turned ON, shift valve A is moved to the right side and covers the port to stop line pressure (1A) leading to the 5th clutch. The servo valve is not applied line pressure, the 5th clutch is not applied 5th clutch pressure, as a result, power is not transmitted to the reverse direction.

NOTE: When used, "left" or "right" indicates direction on the hydraulic circuit.





P Position
The manual valve is moved into the P position, line pressure (1) becomes line pressure (1), (3), and (7) at the manual valve. The PCM turns shift solenoid valve D ON, and shift solenoid valves A, B, and C OFF. Shift solenoid valve D pressure (SD) is applied to the left end of shift valve D, and shift valve D is moved to the right side to uncover the line pressure (3) port leading to the servo valve. Line pressure (3') from shift valve D flows to the servo valve, and pushes the servo valve to the reverse position. Line pressure (1) is intercepted at cut valve B, line pressure (1 B) is intercepted at shift valve B, and hydraulic pressure is not applied to the clutches.

NOTE: When used, "left" or "right" indicates direction on the hydraulic circuit.