Operation CHARM: Car repair manuals for everyone.
Manuals through 2025 now available!

Our trusted friends have launched a new website named LEMON, which has newer manuals. It also contains all the CHARM manuals.

LEMON is the spiritual successor to CHARM, I recommend you try it!

Link: lemon-manuals.la or lemon-manuals.org.ua

(Some people have issue connecting. LEMON is investigating. For now, use Firefox or change your DNS server)

Or, hide this message: temporarily or permanently

Intake Manifold: Service and Repair

Intake Manifold Removal and Installation

Intake Manifold:





Removal
1. Drain the engine coolant.
2. Remove the engine cover.





3. Remove the air cleaner assembly.
4. Remove the brake booster vacuum hose (A), harness holder (B), manifold absolute pressure (MAP) sensor connector (C) and bolt (D).





5. Remove the evaporative emission (EVAP) canister purge valve connector (A), throttle body connector (B), water bypass hoses (C) and purge hose (D).





6. When replacing the intake manifold, remove the throttle body.





7. Remove the harness holder (A), PCV hose (B), and dipstick (C).





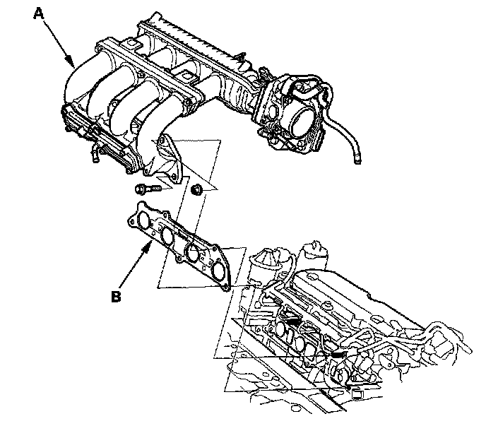
8. Remove the intake manifold (A) and exhaust gas recirculation (EGR) gasket (B).





Installation
1. Install a new intake manifold gasket (A).





2. Install the intake manifold (B) and tighten the bolts/nuts in a crisscross pattern in two or three steps, beginning with the inner bolt.
3. Install the dipstick (A), PCV hose (B) and harness holder (C).





4. Install the throttle body (A) with a new O-ring (B), if it was removed.





5. Install the evaporative emission (EVAP) canister purge valve connector (A), throttle body connector (B), water bypass hoses (C) and purge hose (0).





6. Install the brake booster vacuum hose (A), harness holder (B), manifold absolute pressure (MAP) sensor connector (C) and bolt (D).





7. Install the air cleaner assembly.
8. Install the engine cover.





9. After installation, check that all tubes, hoses and connectors are installed correctly.
10. Refill the radiator with engine coolant, and bleed air from the cooling system with the heater valve open.