Operation CHARM: Car repair manuals for everyone.
Manuals through 2025 now available!

Our trusted friends have launched a new website named LEMON, which has newer manuals. It also contains all the CHARM manuals.

LEMON is the spiritual successor to CHARM, I recommend you try it!

Link: lemon-manuals.la or lemon-manuals.org.ua

(Some people have issue connecting. LEMON is investigating. For now, use Firefox or change your DNS server)

Or, hide this message: temporarily or permanently

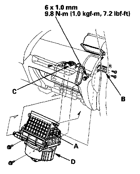
Blower Unit Removal and Installation

Blower Unit Removal and Installation

1. Remove the dashboard.
2. Disconnect the recirculation control cable from the recirculation control linkage.




3. Disconnect the connector (A) from the blower motor, then remove the mounting bolt, the self-tapping screws, and the bracket (B).




4. Remove the clip (A). Remove the mounting bolt, the screws, and the bracket (B). Remove the connector clip (C). Remove the self-tapping screws and the blower unit (D).
5. Install the unit in the reverse order of removal. Make sure that there is no air leakage.