Operation CHARM: Car repair manuals for everyone.
Manuals through 2025 now available!

Our trusted friends have launched a new website named LEMON, which has newer manuals. It also contains all the CHARM manuals.

LEMON is the spiritual successor to CHARM, I recommend you try it!

Link: lemon-manuals.la or lemon-manuals.org.ua

(Some people have issue connecting. LEMON is investigating. For now, use Firefox or change your DNS server)

Or, hide this message: temporarily or permanently

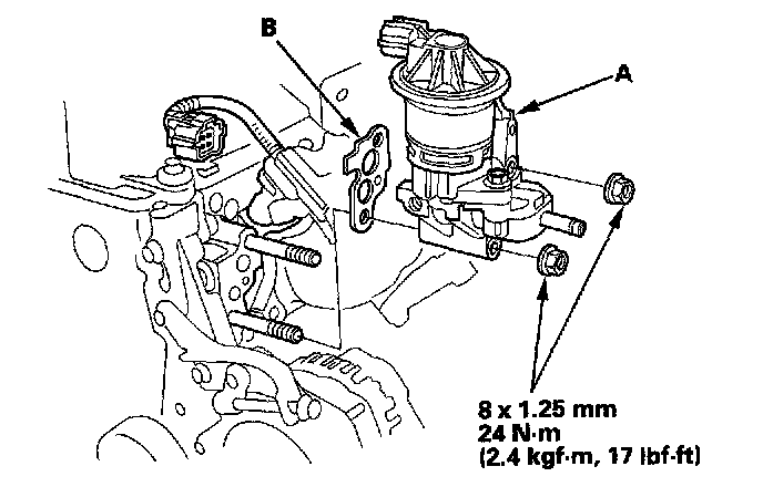
EGR Passage Removal and Installation

EGR Passage Removal and Installation
1. Drain the engine coolant.
2. Remove the Exhaust Gas Recirculation (EGR) passage (A).





3. Be sure the mounting surface is completely clean, then install the EGR passage, using the new gasket (B).