Operation CHARM: Car repair manuals for everyone.
Manuals through 2025 now available!

Our trusted friends have launched a new website named LEMON, which has newer manuals. It also contains all the CHARM manuals.

LEMON is the spiritual successor to CHARM, I recommend you try it!

Link: lemon-manuals.la or lemon-manuals.org.ua

(Some people have issue connecting. LEMON is investigating. For now, use Firefox or change your DNS server)

Or, hide this message: temporarily or permanently

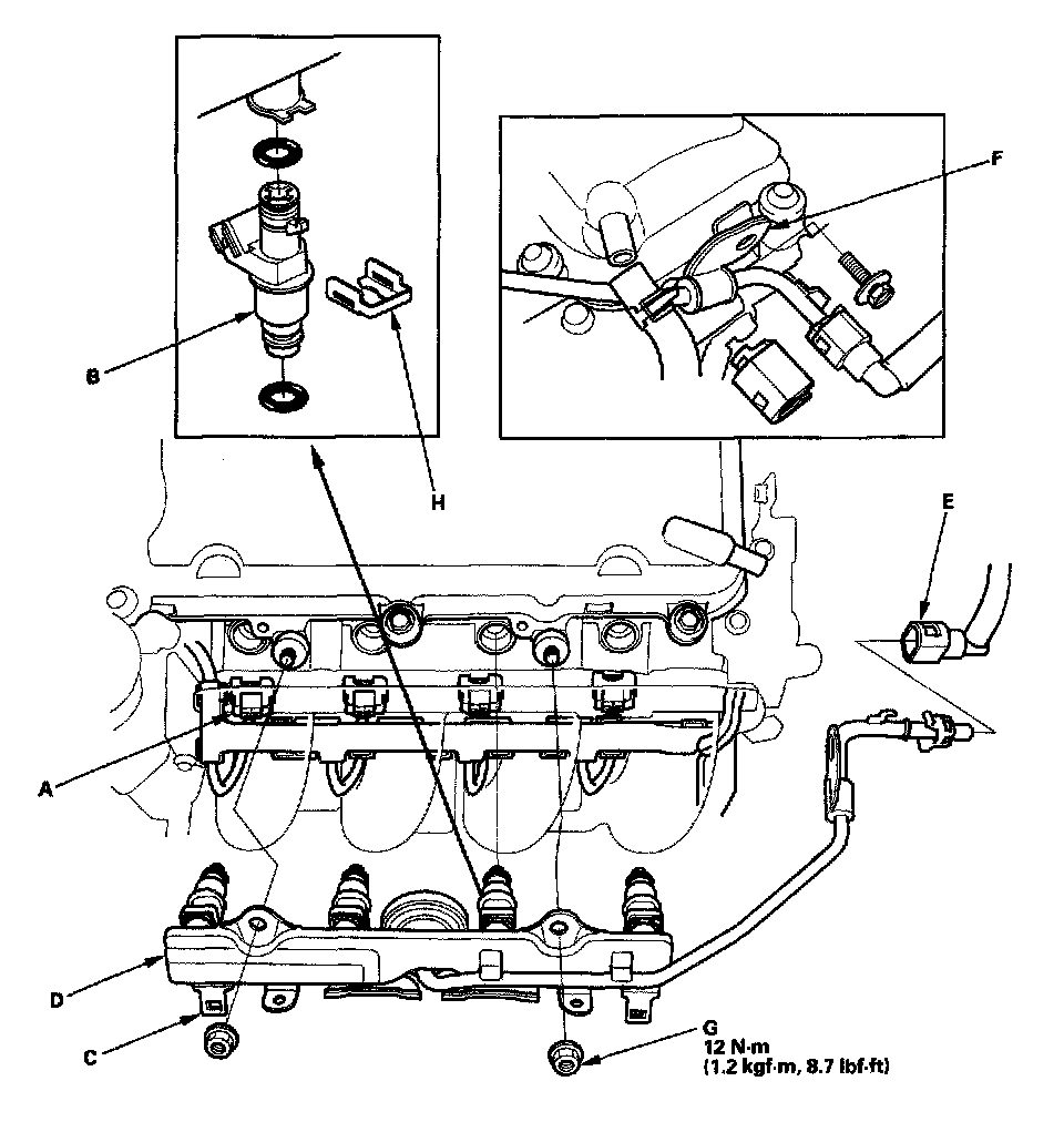
Fuel Injector: Service and Repair

Injector Replacement

1. Relieve the fuel pressure.
2. Remove the air cleaner.
3. Remove the intake manifold.
4. Disconnect the injector 2P connectors (A) from the injectors (B), and remove the harness clips (C) from the fuel rail (D).
5. Disconnect the quick- connect fittings (E).
6. Remove the fuel rail bracket (F).
7. Remove the fuel rail mounting nuts (G) from the fuel rail.
8. Remove the injector clip (H) from the injector.




9. Remove the injector from the fuel rail.




10. Coat the new O-rings (A) with clean engine oil, then insert the injectors (B) into the fuel rail (C).
11. Install the injector clip (D).
12. To prevent damage to the O-rings, install the injectors in the fuel rail first, then install them in the injector base (E).
13. Install the fuel rail mounting nuts. Install the fuel rail bracket (F).
14. Connect the quick-connect fittings.
15. Connect the connectors to the injectors, and install the harness clips (G).
16. Turn the ignition switch ON (II), but do not operate the starter. After the fuel pump runs for about 2 seconds, the fuel pressure in the fuel line rises. Repeat this two or three times, then check for fuel leakage.
17. Install the intake manifold.
18. Install the air cleaner.
19. Turn the ignition switch ON (II).
20. Clear the DTC with the HDS.