Operation CHARM: Car repair manuals for everyone.
Manuals through 2025 now available!

Our trusted friends have launched a new website named LEMON, which has newer manuals. It also contains all the CHARM manuals.

LEMON is the spiritual successor to CHARM, I recommend you try it!

Link: lemon-manuals.la or lemon-manuals.org.ua

(Some people have issue connecting. LEMON is investigating. For now, use Firefox or change your DNS server)

Or, hide this message: temporarily or permanently

Transmission Reassembly

Transmission Reassembly

NOTE: Prior to reassembling, clean all the parts in solvent, dry them, and apply lubricant to any contact surfaces.

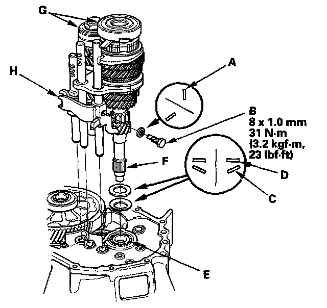
1. Install the magnet (A) and differential assembly (B).





2. Install the 8 mm spring washer (A) and the 8 mm special bolt (B). Note the installation direction of the spring washer.





3. Install the 36 mm spring washer (C) and 26 mm washer (D) over the ball bearing (E). Note the installation direction of the spring washer.
4. Apply tape to the mainshaft splines (F) to protect the seal. Install the mainshaft and countershaft (G) into the shift forks (H), and install them as an assembly.
5. Install the reverse lock cam.





6. Install the reverse shift fork.





7. Install the reverse idler gear (A) and reverse gear shaft (B).





8. Select the proper size 72 mm shim (A) according to the measurements made during the Mainshaft Thrust Clearance Adjustment. Install the oil gutter plate (B), oil guide plate M, and 72 mm shim into the transmission housing (C).

NOTE: Align the groove (D) of the transmission housing to the mark and finger (E) of oil guide plate M, and install it.





9. Remove any dirt and oil from the transmission housing sealing surface. Apply liquid gasket (P/N 08718-0003) to the sealing surface. Make sure you seal the entire circumference of the bolt holes to prevent leakage.

NOTE: If 5 minutes have passed after applying liquid gasket, reapply it and assemble the housings. Allow it to cure at least 20 minutes after assembly before filling the transmission with oil.





10. Install the 14 x 20 mm dowel pins (A).





11. Make the finger (B) of tapered cone ring touch the 5th shift fork (C) as shown.
12. Lower the transmission housing the rest of the way as you expand the 52 mm snap ring (D). Release the snap ring so it seats in the groove of the countershaft bearing.
13. Make sure the 52 mm snap ring is securely seated in the groove of the countershaft bearing.

Dimension, as installed: 4.6 - 8.3 mm (0.18 - 0.33 in.)

14. Apply liquid gasket (P/N 08717-0004) to the threads of the 32 mm sealing screw (E), and install it on the transmission housing.
15. Install the transmission hanger (A) and the 8 mm flange bolts finger-tight.





16. Tighten the 8 mm flange bolts in a crisscross pattern in several steps.





17. Remove any dirt and oil from the change lever assembly sealing surface. Apply liquid gasket (P/N 08718-0003) to the sealing surface.





18. Install the 8 x 10 mm dowel pins (A) and change lever assembly (B).





19. Install the set screws (A), new 12 mm washers, springs, and steel balls.





20. Install the new washer and back-up light switch (B).
21. Install the new washers (A), drain plug (B), filler plug (C), new O-ring (D), and vehicle speed sensor (VSS) (E).