Operation CHARM: Car repair manuals for everyone.
Manuals through 2025 now available!

Our trusted friends have launched a new website named LEMON, which has newer manuals. It also contains all the CHARM manuals.

LEMON is the spiritual successor to CHARM, I recommend you try it!

Link: lemon-manuals.la or lemon-manuals.org.ua

(Some people have issue connecting. LEMON is investigating. For now, use Firefox or change your DNS server)

Or, hide this message: temporarily or permanently

Wiper Motor Test

Wiper Motor Test

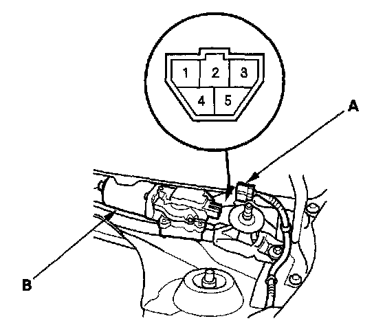
Windshield

1. Remove the wiper arms, hood seals and cowl covers.




2. Disconnect the 5P connector (A) from the wiper motor (B)
3. Test the motor by connecting battery power to the No. 2 terminal and ground the No. 3 terminal of the wiper motor 5P connector. The motor should run at low speed. If the motor does not run, or fails to run smoothly, replace the motor.
4. Test the motor by connecting battery power to the No. 2 terminal and ground the No. 5 terminal of the wiper motor 5P connector. The motor should run at high speed. If the motor does not run, or fails to run smoothly, replace the motor.
5. Connect an analog ohmmeter to the No. 4 and No. 1 terminals, and run the motor at low or high speed. The needle of the ohmmeter should pulse. If it does not, replace the motor.

Rear Window

1. Open the tailgate, and remove the tailgate lower panel.




2. Disconnect the 4P connector (A) from the wiper motor (B).
3. Test the motor by connecting battery power to the No. 1 terminal and ground the No. 3 terminal of the wiper motor. The motor should run. If the motor does not run or fails to run smoothly, replace the motor.