Operation CHARM: Car repair manuals for everyone.
Manuals through 2025 now available!

Our trusted friends have launched a new website named LEMON, which has newer manuals. It also contains all the CHARM manuals.

LEMON is the spiritual successor to CHARM, I recommend you try it!

Link: lemon-manuals.la or lemon-manuals.org.ua

(Some people have issue connecting. LEMON is investigating. For now, use Firefox or change your DNS server)

Or, hide this message: temporarily or permanently

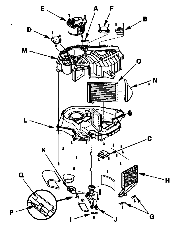
Rear HVAC Unit Component Replacement

Rear HVAC Unit Component Replacement

NOTE: The rear in-car temperature sensor (A), the rear power transistor (B), the rear air mix control motor (C), the rear mode control motor (D), the rear blower motor (E), and the rear climate control unit (F) can be replaced without removing the rear HVAC unit.




1. Remove the self-tap ping screws, the clamps (G) and the rear heater core (H). Remove the self-tap ping screws, the clamp (I) and the evaporator lines (J) together with the expansion valve (K). If necessary, remove the expansion valve. Use a second wrench to hold the other fitting on the valve so the evaporator lines won't twist. Leave the first fitting loosely connected so you can use it to hold the valve while you loosen the second fitting.
2. If necessary, remove the rear power transistor, the rear air mix control motor, the rear mode control motor, and the rear blower motor.
3. Remove the self-tapping screws, carefully separate the right housing (L) from the left housing M), then remove the insulator (N) and the evaporator core (O).
4. Reassemble the unit in the reverse order of disassembly, and note these items:
- Replace all O-rings with new ones at each fitting and apply a thin coat of refrigerant oil before installing them. Be sure to use the correct O-rings for HFC-134a (R-134a) to avoid leakage.
- Immediately after using the oil, reinstall the cap on the container, and seal it to avoid moisture absorption.
- Install the capillary tube (P) directly against the outlet line, and wrap it with electrical tape (Q).
- Make sure no air is leaking from the right housing, the left housing and the lower housing fitting.
- Before reassembly, make sure that the rear air mix control linkage and door move smoothly without binding.
- Before reassembly, make sure that the rear mode control linkage and door move smoothly without binding.
- After reassembly, make sure the rear air mix control motor runs smoothly.
- After reassembly, make sure the rear mode control motor runs smoothly.
- Make sure that there is no coolant leakage.