Operation CHARM: Car repair manuals for everyone.
Manuals through 2025 now available!

Our trusted friends have launched a new website named LEMON, which has newer manuals. It also contains all the CHARM manuals.

LEMON is the spiritual successor to CHARM, I recommend you try it!

Link: lemon-manuals.la or lemon-manuals.org.ua

(Some people have issue connecting. LEMON is investigating. For now, use Firefox or change your DNS server)

Or, hide this message: temporarily or permanently

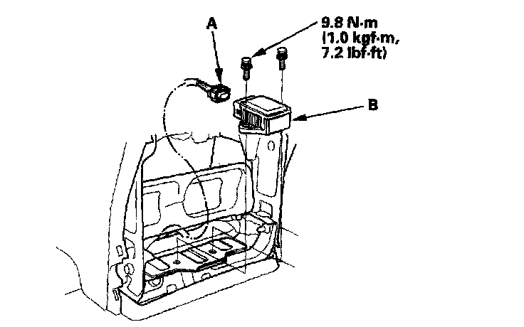
Lateral Accelerometer: Service and Repair

Yaw Rate-Lateral Acceleration Sensor Replacement

NOTE: Do not damage or drop the sensor as it is sensitive.

1. Remove the rear console trim.
2. Disconnect the yaw rate-lateral acceleration sensor 4P connector (A).





3. Remove the sensor mounting bolts, and remove the yaw rate-lateral acceleration sensor (B).
4. Install in the reverse order of removal.