Operation CHARM: Car repair manuals for everyone.
Manuals through 2025 now available!

Our trusted friends have launched a new website named LEMON, which has newer manuals. It also contains all the CHARM manuals.

LEMON is the spiritual successor to CHARM, I recommend you try it!

Link: lemon-manuals.la or lemon-manuals.org.ua

(Some people have issue connecting. LEMON is investigating. For now, use Firefox or change your DNS server)

Or, hide this message: temporarily or permanently

Front

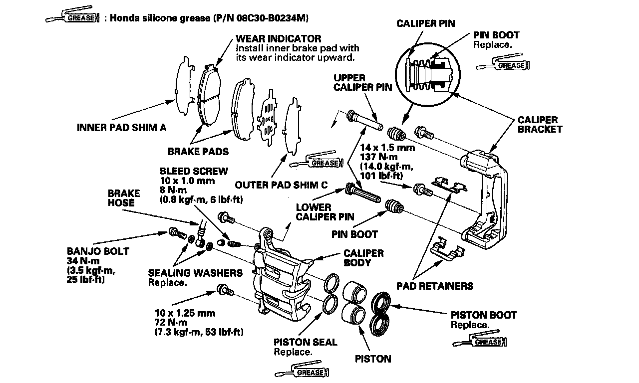
Front Brake Caliper Overhaul

CAUTION: Frequent inhalation of brake pad dust, regardless of material composition, could be hazardous to your health.
^ Avoid breathing dust particles.
^ Never use an air hose or brush to clean brake assemblies. Use an OSHA-approved vacuum cleaner.


Remove, disassemble, inspect, reassemble, and install the caliper, and note these items:

NOTE: Make sure that the caliper pins are installed correctly.

The upper and lower caliper pins are different. If the caliper pins are installed in the wrong location, it will cause uneven tire wear, vibration, and or uneven or rapid pad wear.

^ Do not spill brake fluid on the vehicle; it may damage the paint; if brake fluid gets on the paint, wash it off immediately with water.
^ To prevent dripping brake fluid, cover disconnected hose joints with rags or shop towels.
^ Clean all parts in brake fluid and air dry; blow out all passages with compressed air.
^ Before reassembling, check that all parts are free of dirt and other foreign particles.
^ Replace parts with new ones as specified in the illustration.
^ Make sure no dirt or other foreign matter gets in the brake fluid.
^ Make sure no grease or oil gets on the brake discs or pads.
^ When reusing brake pads, always reinstall them in their original positions to prevent loss of braking efficiency.
^ Do not reuse drained brake fluid. Use only clean Honda DOT 3 Brake Fluid from an unopened container. Using a non-Honda brake fluid can cause corrosion and shorten the life of the system.
^ Do not mix different brands of brake fluid as they may not be compatible.
^ Coat the pistons, piston seal grooves, and caliper bores with clean brake fluid.
^ Replace all rubber parts with new ones whenever disassembled.
^ After installing the caliper, check the brake hose and line for leaks, interference, and twisting.