Operation CHARM: Car repair manuals for everyone.
Manuals through 2025 now available!

Our trusted friends have launched a new website named LEMON, which has newer manuals. It also contains all the CHARM manuals.

LEMON is the spiritual successor to CHARM, I recommend you try it!

Link: lemon-manuals.la or lemon-manuals.org.ua

(Some people have issue connecting. LEMON is investigating. For now, use Firefox or change your DNS server)

Or, hide this message: temporarily or permanently

Shift Interlock: Service and Repair

Shift Lock Solenoid/Shift Lock Stop/Shift Lock Stop Cushion Replacement
1. Remove the shift lever assembly.
2. Remove the harness clamps from the shift lever bracket, and remove the harnesses from the harness clamps.
3. Pry up the lock covers (A) of the D3 switch/shift lock solenoid/park pin switch connector (B).





4. Remove the terminal from the connector by pushing the lock tab (C) up in the connector using a thin blade screwdriver (D). Remove all six terminals and replace the connector.
5. Remove the shift lock release pin (A), spring (B), and shift lock release (C).





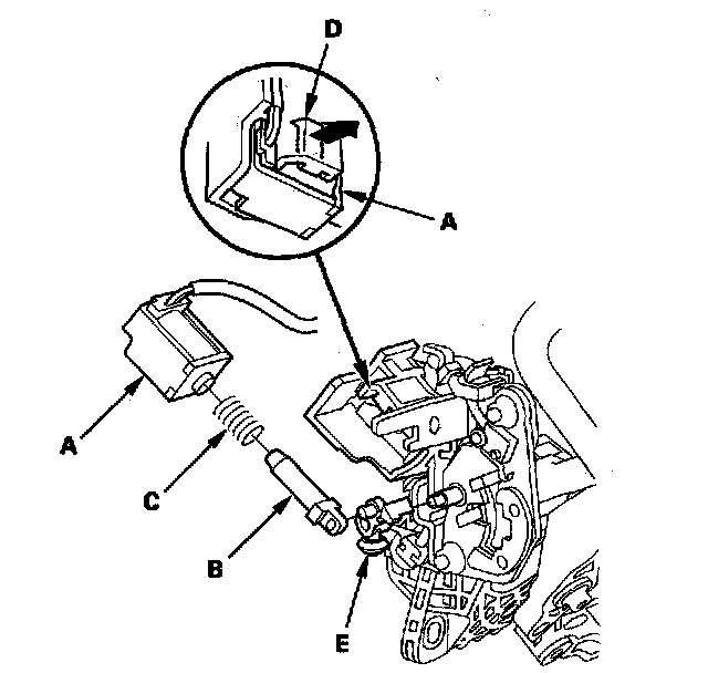
6. Remove the shift lock solenoid (A), solenoid plunger (B), and plunger spring, (C) while prying up the solenoid lock (D).





7. If replacing the shift lock stop or shift lock stop cushion, remove the shift lock stop and the shift lock stop cushion assembly (E), and replace them as a set.

NOTE: The new shift lock stop comes with the new shift lock stop cushion.

8. Replace the shift lock solenoid.
9. Apply silicone grease to the pin on the shift lever bracket, and install the shift lock stop over the pin.
10. Install the shift lock solenoid plunger and plunger spring in the shift lock solenoid.
11. Apply silicone grease to the tip of the shift lock stop, and install the shift lock solenoid by aligning the joint of the shift lock solenoid plunger with the tip of the shift lock stop.
12. Apply silicone grease to the shift lock release pin and spring, and install the shift lock release, spring, and pin.
13. Install the RED harness terminal (A) of the shift lock solenoid in the No. 5 cavity, and BLK harness terminal (B) in the No. 6 cavity.





14. Install the D3 switch harness terminals (WHT) (C) in the No. 3 and No. 4 cavities. Either D3 switch harness terminal can be installed in the No. 3 and No. 4 cavities.
15. Install the park pin switch harness terminals (BLK) (D) in the No. 1 and No. 2 cavities. Either park pin switch harness terminal can be installed in the No. 1 and No. 2 cavities.
16. Make sure that all six terminals lock securely, then install the lock covers (E) securely in place.
17. Route the harnesses (A) through the guides (B).





18. Align the marks (C) on each harness, and tie the harness together into bundle with new harness clamp (D) over the marks.
19. Tie the harness together into bundle with new harness clamp, then install the harness clamp (E) on the shift lever bracket.
20. Install the shift lever assembly.