Operation CHARM: Car repair manuals for everyone.
Manuals through 2025 now available!

Our trusted friends have launched a new website named LEMON, which has newer manuals. It also contains all the CHARM manuals.

LEMON is the spiritual successor to CHARM, I recommend you try it!

Link: lemon-manuals.la or lemon-manuals.org.ua

(Some people have issue connecting. LEMON is investigating. For now, use Firefox or change your DNS server)

Or, hide this message: temporarily or permanently

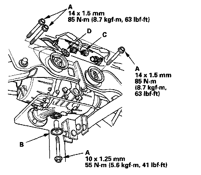
Differential Installation

Differential Installation
1. Raise the rear differential a little on the transmission jack, then connect the breather tube (A) to the rear differential.





2. Raise the rear differential to the mounting level, then install the mounting bolts (A) and washer (B).





3. Connect the 6P (C) and 2P (D) connectors.
4. Install the rear driveshaft.
5. Install the new rear differential (A) onto the propeller shaft (B), by aligning the reference mark (C). Make sure you use new mounting bolts.





6. Attach the propeller shaft to the transfer and the rear differential by aligning the reference marks.
7. Refill the differential with recommended fluid.